• «
  • 1
  • 2
  • »
  • Pages: 1/2     Go
qwerty_123
www
级别: 略有小成
精华主题: 0
发帖数量: 197 个
工控威望: 329 点
下载积分: 9203 分
在线时间: 72(小时)
注册时间: 2010-09-26
最后登录: 2026-03-20
查看qwerty_123的 主题 / 回贴
楼主  发表于: 2025-11-03 16:43
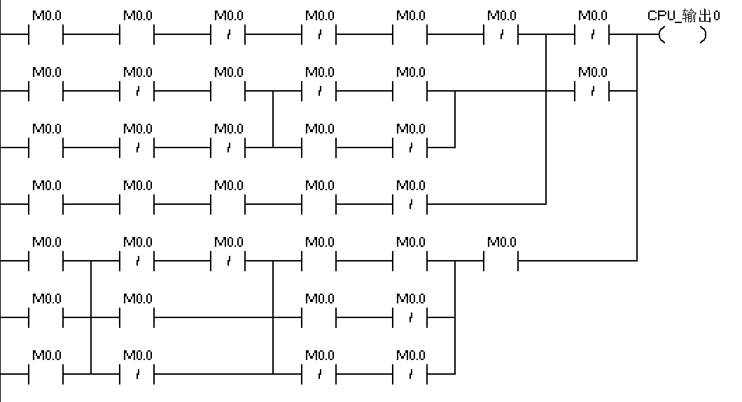
触摸屏上显示梯形图,尽管不能像S7-200 Smart 显示的一样,但至少能看个大概
梯形图符号是用向量图表示的,图中的每个符号对应一个位状态指示灯
很多线条颜色没有控制,所以逻辑结果要靠想象,一般操作工是看不懂的,但电工或工程师应该能理解
只是这些梯形图是用位状态指示元件组成,不能直接将200 smart梯形图转换为触摸屏上的梯形图,这些元件的布局也耗费时间,程序改了,这里也要跟着改,而且只能使用全局变量,不能使用局部变量,为了简化,某些指令如比较指令等要事先将比较结果用全局位变量替代
[ 此帖被qwerty_123在2025-11-11 00:13重新编辑 ]
qwerty_123
www
级别: 略有小成
精华主题: 0
发帖数量: 197 个
工控威望: 329 点
下载积分: 9203 分
在线时间: 72(小时)
注册时间: 2010-09-26
最后登录: 2026-03-20
查看qwerty_123的 主题 / 回贴
1楼  发表于: 2025-11-03 16:45
就是有些蓝色线条不能精确显示,因为触摸屏的线条不支持变量表达式
[ 此帖被qwerty_123在2025-11-11 00:13重新编辑 ]
abcde12345
abcde12345
级别: 论坛先锋
精华主题: 1 篇
发帖数量: 221 个
工控威望: 1272 点
下载积分: 11357 分
在线时间: 324(小时)
注册时间: 2012-10-09
最后登录: 2026-03-13
查看abcde12345的 主题 / 回贴
2楼  发表于: 2025-11-03 16:58
西门子触摸屏能够显示西门子PLC内的梯形图的
本帖最近评分记录:
  • 下载积分:+2(qwerty_123) 第一次知道西门子触摸屏 ..
    宿迁电工
    级别: 论坛先锋
    精华主题: 0
    发帖数量: 1147 个
    工控威望: 1258 点
    下载积分: 3208 分
    在线时间: 421(小时)
    注册时间: 2018-11-30
    最后登录: 2026-02-26
    查看宿迁电工的 主题 / 回贴
    3楼  发表于: 2025-11-03 17:00
    对于大部分设备而言,做好报警提示,状态越多越详细就行了。
    长三角地区,PLC编程,工业机器人编程
    吸塑机,轴承合套仪程序开发
    专业外协
     TEL:13815796487(微信同号)
    qwerty_123
    www
    级别: 略有小成
    精华主题: 0
    发帖数量: 197 个
    工控威望: 329 点
    下载积分: 9203 分
    在线时间: 72(小时)
    注册时间: 2010-09-26
    最后登录: 2026-03-20
    查看qwerty_123的 主题 / 回贴
    4楼  发表于: 2025-11-03 17:09
    有些很复杂的逻辑几乎无法进行提示,但用梯形图表达出来后就容易查找错误了,尽管已经做了很多报警提示,就是逻辑关系太复杂了
    引用
    引用第3楼宿迁电工于2025-11-03 17:00发表的  :
    对于大部分设备而言,做好报警提示,状态越多越详细就行了。
    crgtom
    人生三宝:家庭,事业,健康。
    级别: 网络英雄

    精华主题: 0
    发帖数量: 1380 个
    工控威望: 9796 点
    下载积分: 110787 分
    在线时间: 1014(小时)
    注册时间: 2009-09-21
    最后登录: 2026-03-20
    查看crgtom的 主题 / 回贴
    5楼  发表于: 2025-11-03 17:18
    优秀!
    技术是有时效性的,一旦过了市场周期,都会变成垃圾!
    不小心遇见你
    自动项目、PLC、视觉、通讯等工控软件开发QQ3515716
    级别: 工控侠客

    精华主题: 3 篇
    发帖数量: 2108 个
    工控威望: 3102 点
    下载积分: 25716 分
    在线时间: 1577(小时)
    注册时间: 2014-01-05
    最后登录: 2026-03-20
    查看不小心遇见你的 主题 / 回贴
    6楼  发表于: 2025-11-04 10:54
    做这个的目的是什么呢?
    项目、视觉、通讯QQ3515716
    zhengtiguo
    上善若水
    级别: 家园常客
    精华主题: 0
    发帖数量: 609 个
    工控威望: 667 点
    下载积分: 5784 分
    在线时间: 147(小时)
    注册时间: 2025-05-29
    最后登录: 2026-03-20
    查看zhengtiguo的 主题 / 回贴
    7楼  发表于: 2025-11-04 11:02
    不错的
    深耕技术
    qwerty_123
    www
    级别: 略有小成
    精华主题: 0
    发帖数量: 197 个
    工控威望: 329 点
    下载积分: 9203 分
    在线时间: 72(小时)
    注册时间: 2010-09-26
    最后登录: 2026-03-20
    查看qwerty_123的 主题 / 回贴
    8楼  发表于: 2025-11-04 11:38
    在触摸屏上显示一些复杂的逻辑图,便于查找故障原因或某些条件为何不能成立
    当然图示的内容逻辑很简单,但有时候很复杂的逻辑无法根据点的状态简单的判断条件是否成立,这时候这个图就会直观些,至少操作工拍照给你就容易判断哪里出问题或条件不满足
    引用
    引用第6楼不小心遇见你于2025-11-04 10:54发表的  :
    做这个的目的是什么呢?
    工控小c
    宁波周边项目合作V:fisherman_77
    级别: 工控侠客
    精华主题: 0
    发帖数量: 672 个
    工控威望: 2483 点
    下载积分: 14505 分
    在线时间: 645(小时)
    注册时间: 2022-10-14
    最后登录: 2026-03-20
    查看工控小c的 主题 / 回贴
    9楼  发表于: 2025-11-04 12:16
    引用
    引用第8楼qwerty_123于2025-11-04 11:38发表的  :
    在触摸屏上显示一些复杂的逻辑图,便于查找故障原因或某些条件为何不能成立
    当然图示的内容逻辑很简单,但有时候很复杂的逻辑无法根据点的状态简单的判断条件是否成立,这时候这个图就会直观些,至少操作工拍照给你就容易判断哪里出问题或条件不满足


    还要靠看这个才知道那只能说提示和报警还是没做完整,程序本身还要优化
    qwerty_123
    www
    级别: 略有小成
    精华主题: 0
    发帖数量: 197 个
    工控威望: 329 点
    下载积分: 9203 分
    在线时间: 72(小时)
    注册时间: 2010-09-26
    最后登录: 2026-03-20
    查看qwerty_123的 主题 / 回贴
    10楼  发表于: 2025-11-04 12:41
    这个最后没有输出,该怎么报警
    里面的M0.0是其它点,这里只做示意
    不能说某个常开点不通就是这个点有问题,因为还有其它并联回路
    引用
    引用第9楼工控小c于2025-11-04 12:16发表的  :

    还要靠看这个才知道那只能说提示和报警还是没做完整,程序本身还要优化
    [ 此帖被qwerty_123在2025-11-04 12:57重新编辑 ]
    本帖最近评分记录:
  • 下载积分:+1(guochunyi) 热心助人!
    qwerty_123
    www
    级别: 略有小成
    精华主题: 0
    发帖数量: 197 个
    工控威望: 329 点
    下载积分: 9203 分
    在线时间: 72(小时)
    注册时间: 2010-09-26
    最后登录: 2026-03-20
    查看qwerty_123的 主题 / 回贴
    11楼  发表于: 2025-11-04 12:46
    4、5百个报警也不能完全列出所有报警,只好放个梯形图示意某些重要、常见操作为啥不能操作
    引用
    引用第3楼宿迁电工于2025-11-03 17:00发表的  :
    对于大部分设备而言,做好报警提示,状态越多越详细就行了。
    • «
    • 1
    • 2
    • »
    • Pages: 1/2     Go