用户登陆
免费注册
找回密码
站内短信
论坛搜索
道具中心
统计排行
勋章中心
工控下载
购买产品
用户名
密码
输入验证码:
认真
综合讨论
资料互助
程序样例
三菱工控
西门子区
欧姆龙区
触摸屏区
工控人家园
西门子工控论坛
请大神们给看看,这程序到底怎么不对了,实现不了啊
上一主题
下一主题
«
1
2
»
Pages: 2/2 Go
xuefengbo
级别: 探索解密
发送短信
加为好友
QQ联系
精华主题:
0
发帖数量:
37 个
工控威望:
164 点
下载积分:
4777 分
在线时间: 53(小时)
注册时间:
2013-01-11
最后登录:
2026-02-28
查看xuefengbo的
主题
/
回贴
12楼
发表于: 2013-12-23 17:23
只看该作者
|
小
中
大
赞同10楼的改法:“网络4中常闭点T35换成T36就可达到设计要求.”,
程序本身写的有问题,不严谨
分享
zhwh0123
级别: 略有小成
发送短信
加为好友
精华主题:
0
发帖数量:
60 个
工控威望:
274 点
下载积分:
970 分
在线时间: 47(小时)
注册时间:
2013-10-10
最后登录:
2017-08-08
查看zhwh0123的
主题
/
回贴
13楼
发表于: 2013-12-24 16:34
只看该作者
|
小
中
大
搞了这么多定时器,看都看晕了!用一个定时器加上比较就可以实现所有功能,而且简洁!
分享
zhwh0123
级别: 略有小成
发送短信
加为好友
精华主题:
0
发帖数量:
60 个
工控威望:
274 点
下载积分:
970 分
在线时间: 47(小时)
注册时间:
2013-10-10
最后登录:
2017-08-08
查看zhwh0123的
主题
/
回贴
14楼
发表于: 2013-12-24 17:02
只看该作者
|
小
中
大
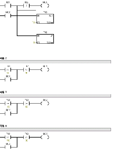
图片:
给大家讨论下
分享
poiuzj
多动手操作才是王道!
级别: 略有小成
发送短信
加为好友
精华主题:
0
发帖数量:
92 个
工控威望:
225 点
下载积分:
7299 分
在线时间: 108(小时)
注册时间:
2013-02-20
最后登录:
2025-09-19
查看poiuzj的
主题
/
回贴
15楼
发表于: 2014-01-04 16:03
只看该作者
|
小
中
大
看看这个程序能满足你的要求吗!两个定时器加比较就可以搞定!
描述:电机延时启动延时关闭程序
附件:
项目1.zip
(2 K) 下载次数:5
分享
dzhhwx
级别: 略有小成
发送短信
加为好友
QQ联系
精华主题:
0
发帖数量:
165 个
工控威望:
358 点
下载积分:
1098 分
在线时间: 60(小时)
注册时间:
2009-03-03
最后登录:
2015-10-28
查看dzhhwx的
主题
/
回贴
16楼
发表于: 2014-01-05 14:42
只看该作者
|
小
中
大
学习了,不过这个程序还是不完善。。
分享
上一主题
下一主题
«
1
2
»
Pages: 2/2 Go
工控人家园
西门子工控论坛
请大神们给看看,这程序到底怎么不对了,实现不了啊
http://www.ymmfa.com
访问内容超出本站范围,不能确定是否安全
继续访问
取消访问