用户登陆
免费注册
找回密码
站内短信
论坛搜索
道具中心
统计排行
勋章中心
工控下载
购买产品
用户名
密码
输入验证码:
细心
综合讨论
资料互助
程序样例
三菱工控
西门子区
欧姆龙区
触摸屏区
工控人家园
综合讨论
步进电机最高脉冲频率!~~~
上一主题
下一主题
yuhang26
级别: 略有小成
发送短信
加为好友
QQ联系
精华主题:
0
发帖数量:
85 个
工控威望:
348 点
下载积分:
666 分
在线时间: 30(小时)
注册时间:
2007-03-27
最后登录:
2020-09-15
查看yuhang26的
主题
/
回贴
楼主
发表于: 2011-02-21 20:10
只看楼主
|
小
中
大
描述:图一
图片:
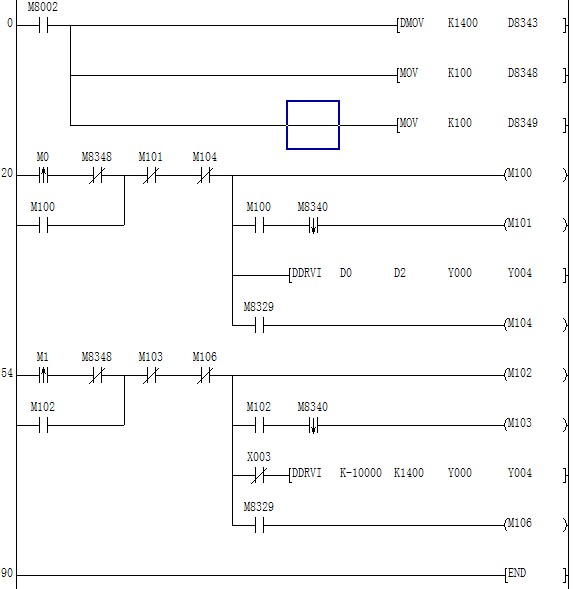
描述:图二
图片:
客户选了套步进驱动器型号:SJ-2H042MA 两相混合式步进电机细分驱动器 (主要技术参数见图一) 步进马达型号:42BYGH401A-0101216 连接方式:四线制。
问题:当脉冲频率大于等于 1.5K 时,马达中旋转有时会直接卡死,声音异常;脉冲频率大于等于 2K 时,马达直接停转,噪声很大,请问各位大大这个什么状况??(程序见图二,修改脉冲频率时,最高频率都相应的修改了)
认真做事,低调做人
分享
hzhcdy
级别: 家园常客
发送短信
加为好友
精华主题:
0
发帖数量:
671 个
工控威望:
853 点
下载积分:
1420 分
在线时间: 581(小时)
注册时间:
2008-12-22
最后登录:
2026-01-05
查看hzhcdy的
主题
/
回贴
1楼
发表于: 2011-02-21 20:26
只看该作者
|
小
中
大
2相步进电机不进行细分,我试过最大脉冲是25K,东方的可以到32K,
如果没有加减速,东方五相步进2.8K就卡死
建议你正确设定电流,细分,以及加减速时间
另:看楼主的编程手法,有待提升啊!
本帖最近评分记录:
下载积分:+2(dl2006) 热心助人
分享
yuhang26
级别: 略有小成
发送短信
加为好友
QQ联系
精华主题:
0
发帖数量:
85 个
工控威望:
348 点
下载积分:
666 分
在线时间: 30(小时)
注册时间:
2007-03-27
最后登录:
2020-09-15
查看yuhang26的
主题
/
回贴
2楼
发表于: 2011-02-21 21:00
只看该作者
|
小
中
大
楼上说的我脸都红了
。电流和细分是要怎么设定的?
认真做事,低调做人
分享
hzhcdy
级别: 家园常客
发送短信
加为好友
精华主题:
0
发帖数量:
671 个
工控威望:
853 点
下载积分:
1420 分
在线时间: 581(小时)
注册时间:
2008-12-22
最后登录:
2026-01-05
查看hzhcdy的
主题
/
回贴
3楼
发表于: 2011-02-22 17:23
只看该作者
|
小
中
大
图片:
发个图给你看一下!
如果你的驱动器上没有这2个东西其中的一个!那就是不能进行细分或者电流设定,多见于100块左右的低档驱动器,
如果有,是下面的拨码形式的。驱动器上正常会有一个表,拨0跟1,分别对应多少电流,或者多少细分,注意要在断电情况下调。
还有一种是上面的电位器方式的!直接用小螺丝刀调,就好了!这个正常是用来调电流的!也有用拨码的方法,但绝对没有用这个方法来调细分的,
电流不是越大越好!适合的才是最好的!先把电流调在额定电流的三分之一的位置,如果不够慢慢加!以能稳定带负载为标准,电流太大电机发热很厉害的!
分享
ntmgdcz
级别: *
发送短信
加为好友
精华主题:
* 篇
发帖数量:
* 个
工控威望:
* 点
下载积分:
* 分
在线时间: (小时)
注册时间:
*
最后登录:
*
查看ntmgdcz的
主题
/
回贴
4楼
发表于: 2011-02-24 10:28
只看该作者
|
小
中
大
分享
waitfor
级别: 家园常客
发送短信
加为好友
精华主题:
0
发帖数量:
597 个
工控威望:
831 点
下载积分:
5871 分
在线时间: 406(小时)
注册时间:
2010-07-04
最后登录:
2025-03-07
查看waitfor的
主题
/
回贴
5楼
发表于: 2011-02-24 21:23
只看该作者
|
小
中
大
分享
上一主题
下一主题
工控人家园
综合讨论
步进电机最高脉冲频率!~~~
http://www.ymmfa.com
访问内容超出本站范围,不能确定是否安全
继续访问
取消访问