用户登陆
免费注册
找回密码
站内短信
论坛搜索
道具中心
统计排行
勋章中心
工控下载
购买产品
用户名
密码
输入验证码:
科学
综合讨论
资料互助
程序样例
三菱工控
西门子区
欧姆龙区
触摸屏区
工控人家园
综合讨论
一道很考智力的电路题目
上一主题
下一主题
«
1
2
3
4
5
»
Pages: 1/7 Go
kongxiao
师父多多,好处多多!嘿嘿!
级别: 略有小成
发送短信
加为好友
精华主题:
0
发帖数量:
71 个
工控威望:
320 点
下载积分:
1526 分
在线时间: 63(小时)
注册时间:
2010-09-03
最后登录:
2019-03-05
查看kongxiao的
主题
/
回贴
楼主
发表于: 2010-11-06 12:59
只看楼主
|
小
中
大
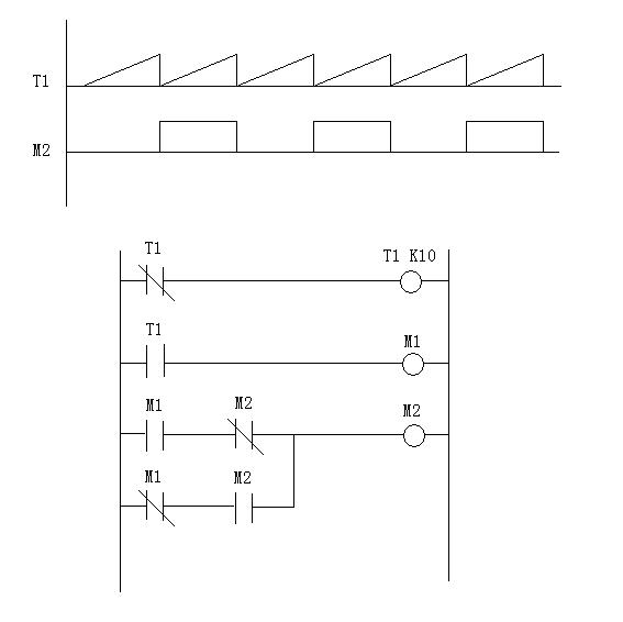
题目是这样的,一个常开按钮,一个时间继电器,N个中间继电器!
要达到的目的是 1 按第一下按钮,一直输出。
2 按第二下按钮,输出闪烁。
3 按第三下按钮,输出停止。
附件带答案,用三菱编程软件编写,可以转化成机械电路。 供大家参考
特此注明这是一个机械电路!请大家不要走捷径,利用PLC的方便指令!我只是不会使用画图软件才写成梯形图的!请大家不要侮辱自己的智商!
[ 此帖被kongxiao在2010-11-07 23:44重新编辑 ]
附件:
一道考智力的程序.rar
(11 K) 下载次数:275
不耻下问,是以谓之文也!!!!!
分享
niningtt
级别: 工控侠客
发送短信
加为好友
QQ联系
精华主题:
0
发帖数量:
1226 个
工控威望:
3555 点
下载积分:
1042 分
在线时间: 464(小时)
注册时间:
2010-08-24
最后登录:
2026-05-19
查看niningtt的
主题
/
回贴
1楼
发表于: 2010-11-06 13:12
只看该作者
|
小
中
大
关键就是做出来模仿脉冲就OK乐
分享
老怪
级别: 探索解密
发送短信
加为好友
精华主题:
0
发帖数量:
41 个
工控威望:
111 点
下载积分:
727 分
在线时间: 41(小时)
注册时间:
2010-10-07
最后登录:
2025-03-05
查看老怪的
主题
/
回贴
2楼
发表于: 2010-11-06 13:21
只看该作者
|
小
中
大
太简单了,利用计数转换呀
分享
sunnjh
专业生产:数控机床、微特电机、伺服电机
级别: 略有小成
发送短信
加为好友
精华主题:
0
发帖数量:
65 个
工控威望:
237 点
下载积分:
28056 分
在线时间: 234(小时)
注册时间:
2007-09-15
最后登录:
2026-01-25
查看sunnjh的
主题
/
回贴
3楼
发表于: 2010-11-06 15:41
只看该作者
|
小
中
大
如果可以转化成机械电路,是有点历害的。
分享
sandy_love
感悟生活,创新的源泉...
级别: 家园常客
发送短信
加为好友
精华主题:
0
发帖数量:
455 个
工控威望:
824 点
下载积分:
1800 分
在线时间: 483(小时)
注册时间:
2008-12-08
最后登录:
2026-03-18
查看sandy_love的
主题
/
回贴
4楼
发表于: 2010-11-07 10:28
只看该作者
|
小
中
大
软件实现的话不难吧,主要是脉冲输出这个东西,随便画了一下动作表,占空比1:1的,提供一个思路;
双稳态+定时触发。 如果要搭实际电路的话,要考虑边沿触发和时延的问题。请指教!
分享
kongxiao
师父多多,好处多多!嘿嘿!
级别: 略有小成
发送短信
加为好友
精华主题:
0
发帖数量:
71 个
工控威望:
320 点
下载积分:
1526 分
在线时间: 63(小时)
注册时间:
2010-09-03
最后登录:
2019-03-05
查看kongxiao的
主题
/
回贴
5楼
发表于: 2010-11-07 23:35
只看该作者
|
小
中
大
4楼的程序不行,外行 你自己仔细看看!
不耻下问,是以谓之文也!!!!!
分享
kongxiao
师父多多,好处多多!嘿嘿!
级别: 略有小成
发送短信
加为好友
精华主题:
0
发帖数量:
71 个
工控威望:
320 点
下载积分:
1526 分
在线时间: 63(小时)
注册时间:
2010-09-03
最后登录:
2019-03-05
查看kongxiao的
主题
/
回贴
6楼
发表于: 2010-11-07 23:37
只看该作者
|
小
中
大
不要以为此题很简单,实际你OUT 了!!!!!!!!!!!!!
不耻下问,是以谓之文也!!!!!
分享
ws13200
级别: *
发送短信
加为好友
精华主题:
* 篇
发帖数量:
* 个
工控威望:
* 点
下载积分:
* 分
在线时间: (小时)
注册时间:
*
最后登录:
*
查看ws13200的
主题
/
回贴
7楼
发表于: 2010-11-08 01:25
只看该作者
|
小
中
大
来个循环时间不知可以不?
分享
siliang3579
级别: *
发送短信
加为好友
精华主题:
* 篇
发帖数量:
* 个
工控威望:
* 点
下载积分:
* 分
在线时间: (小时)
注册时间:
*
最后登录:
*
查看siliang3579的
主题
/
回贴
8楼
发表于: 2010-11-08 08:50
只看该作者
|
小
中
大
4楼:程序不对,应该是:
附件:
新建 Microsoft Word 文档.doc
(24 K) 下载次数:104
分享
陈虾
级别: 探索解密
发送短信
加为好友
精华主题:
0
发帖数量:
188 个
工控威望:
106 点
下载积分:
604 分
在线时间: 32(小时)
注册时间:
2010-07-31
最后登录:
2014-09-03
查看陈虾的
主题
/
回贴
9楼
发表于: 2010-11-08 10:52
只看该作者
|
小
中
大
进来学习一下,感谢楼主
分享
陈虾
级别: 探索解密
发送短信
加为好友
精华主题:
0
发帖数量:
188 个
工控威望:
106 点
下载积分:
604 分
在线时间: 32(小时)
注册时间:
2010-07-31
最后登录:
2014-09-03
查看陈虾的
主题
/
回贴
10楼
发表于: 2010-11-08 10:54
只看该作者
|
小
中
大
进来支持一下
分享
youngsoon
级别: 探索解密
发送短信
加为好友
精华主题:
0
发帖数量:
28 个
工控威望:
189 点
下载积分:
2585 分
在线时间: 64(小时)
注册时间:
2008-12-16
最后登录:
2024-08-13
查看youngsoon的
主题
/
回贴
11楼
发表于: 2010-11-08 20:09
只看该作者
|
小
中
大
只要做出上升沿或者下降沿触发的效果就可以了
分享
上一主题
下一主题
«
1
2
3
4
5
»
Pages: 1/7 Go
工控人家园
综合讨论
一道很考智力的电路题目
http://www.ymmfa.com
访问内容超出本站范围,不能确定是否安全
继续访问
取消访问