用户登陆
免费注册
找回密码
站内短信
论坛搜索
道具中心
统计排行
勋章中心
工控下载
购买产品
用户名
密码
输入验证码:
认真
综合讨论
资料互助
程序样例
三菱工控
西门子区
欧姆龙区
触摸屏区
工控人家园
综合讨论
请教电工师傅们一个简单问提
上一主题
下一主题
«
1
2
3
»
Pages: 3/3 Go
chenpingyg
机械是柱石,电气是灵魂.
级别: VIP会员
发送短信
加为好友
精华主题:
0
发帖数量:
1159 个
工控威望:
6705 点
下载积分:
100 分
在线时间: 603(小时)
注册时间:
2007-01-25
最后登录:
2017-04-03
查看chenpingyg的
主题
/
回贴
24楼
发表于: 2010-06-21 00:16
只看该作者
|
小
中
大
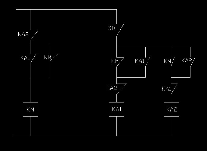
图片:
既然几都说是很简单的问题,相信你也很熟悉了。我就不多说了,直接上图,你自己分析。
自己的事情自己做.
分享
久违的人
级别: *
发送短信
加为好友
精华主题:
* 篇
发帖数量:
* 个
工控威望:
* 点
下载积分:
* 分
在线时间: (小时)
注册时间:
*
最后登录:
*
查看久违的人的
主题
/
回贴
25楼
发表于: 2010-06-21 10:48
只看该作者
|
小
中
大
这个大简单了,你用接触器的辅助触点自锁按钮,串联时间继电器的常闭触点控制接触器和时间继电器线圈即可
分享
zhangzsy1
级别: 探索解密
发送短信
加为好友
QQ联系
精华主题:
0
发帖数量:
65 个
工控威望:
133 点
下载积分:
916 分
在线时间: 25(小时)
注册时间:
2010-06-21
最后登录:
2017-04-17
查看zhangzsy1的
主题
/
回贴
26楼
发表于: 2010-06-21 11:14
只看该作者
|
小
中
大
LD X000
OR Y000
ANI T0
OUT Y000
OUT T0 K30
END
分享
mqgmqg
级别: 工控侠客
发送短信
加为好友
QQ联系
精华主题:
0
发帖数量:
237 个
工控威望:
2881 点
下载积分:
1113 分
在线时间: 419(小时)
注册时间:
2009-11-12
最后登录:
2026-04-30
查看mqgmqg的
主题
/
回贴
27楼
发表于: 2010-06-21 13:34
只看该作者
|
小
中
大
支持6楼,
分享
上一主题
下一主题
«
1
2
3
»
Pages: 3/3 Go
工控人家园
综合讨论
请教电工师傅们一个简单问提
http://www.ymmfa.com
访问内容超出本站范围,不能确定是否安全
继续访问
取消访问