用户登陆
免费注册
找回密码
站内短信
论坛搜索
道具中心
统计排行
勋章中心
工控下载
购买产品
用户名
密码
输入验证码:
睡眠
综合讨论
资料互助
程序样例
三菱工控
西门子区
欧姆龙区
触摸屏区
工控人家园
欧姆龙工控论坛
CPM1A这个指令什么意思?
上一主题
下一主题
ymb1982
级别: *
发送短信
加为好友
精华主题:
* 篇
发帖数量:
* 个
工控威望:
* 点
下载积分:
* 分
在线时间: (小时)
注册时间:
*
最后登录:
*
查看ymb1982的
主题
/
回贴
楼主
发表于: 2010-06-09 18:17
只看楼主
|
小
中
大
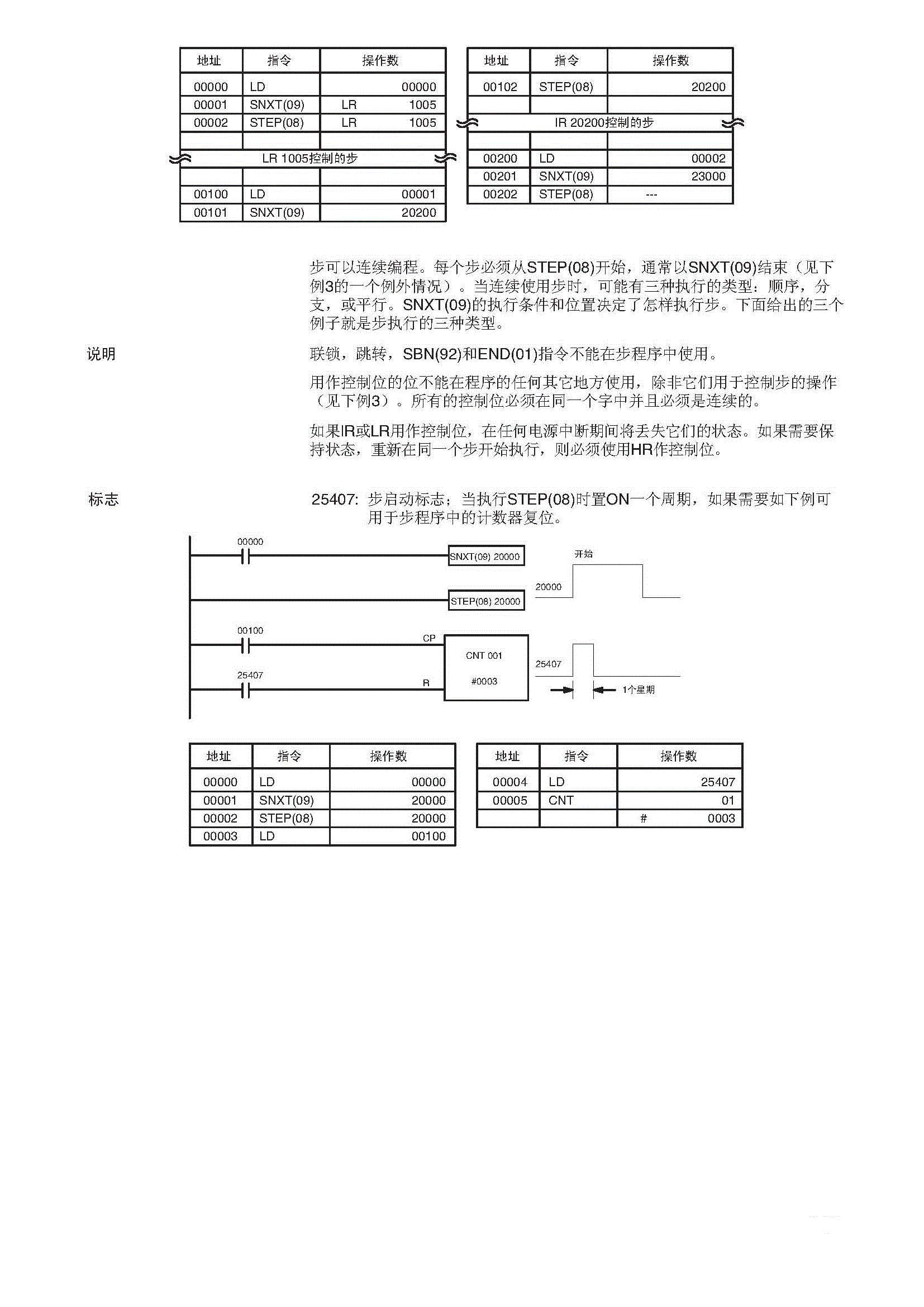
步指令:步定义--STEP、步开始--SNXT 这2个指令是否和三菱的步进指令SET S0 STL S0一样?CPM1A不能仿真,我找了CP1H的手册,怎么没看到步指令啊?
分享
hlq_0815
人生的成功不在于拿到一副好牌,而是怎样将坏牌打好。
级别: 论坛版主
发送短信
加为好友
精华主题:
2 篇
发帖数量:
1895 个
工控威望:
4578 点
下载积分:
7784 分
在线时间: 1504(小时)
注册时间:
2008-07-03
最后登录:
2025-11-21
查看hlq_0815的
主题
/
回贴
1楼
发表于: 2010-06-10 10:03
只看该作者
|
小
中
大
本帖最近评分记录:
下载积分:+2(ymb1982) 感谢分享
人生的成功不在于拿到一副好牌,而是怎样将坏牌打好。
分享
ymb1982
级别: *
发送短信
加为好友
精华主题:
* 篇
发帖数量:
* 个
工控威望:
* 点
下载积分:
* 分
在线时间: (小时)
注册时间:
*
最后登录:
*
查看ymb1982的
主题
/
回贴
2楼
发表于: 2010-06-10 11:46
只看该作者
|
小
中
大
引用
引用第1楼hlq_0815于2010-06-10 10:03发表的 :
[attachment=40883] [attachment=40884]
这位大哥就是这个我看不懂才来问的,我理解能力有限啊
分享
hlq_0815
人生的成功不在于拿到一副好牌,而是怎样将坏牌打好。
级别: 论坛版主
发送短信
加为好友
精华主题:
2 篇
发帖数量:
1895 个
工控威望:
4578 点
下载积分:
7784 分
在线时间: 1504(小时)
注册时间:
2008-07-03
最后登录:
2025-11-21
查看hlq_0815的
主题
/
回贴
3楼
发表于: 2010-06-10 12:47
只看该作者
|
小
中
大
我能理解,但我的文字表达能力不会比以上手册好。
人生的成功不在于拿到一副好牌,而是怎样将坏牌打好。
分享
上一主题
下一主题
工控人家园
欧姆龙工控论坛
CPM1A这个指令什么意思?
http://www.ymmfa.com
访问内容超出本站范围,不能确定是否安全
继续访问
取消访问