用户登陆
免费注册
找回密码
站内短信
论坛搜索
道具中心
统计排行
勋章中心
工控下载
购买产品
用户名
密码
输入验证码:
爱情
综合讨论
资料互助
程序样例
三菱工控
西门子区
欧姆龙区
触摸屏区
工控人家园
西门子工控论坛
plc中怎么样可以实现加法的累积相加?
上一主题
下一主题
yidianjiubao
级别: *
发送短信
加为好友
精华主题:
* 篇
发帖数量:
* 个
工控威望:
* 点
下载积分:
* 分
在线时间: (小时)
注册时间:
*
最后登录:
*
查看yidianjiubao的
主题
/
回贴
楼主
发表于: 2010-03-06 10:02
只看楼主
|
小
中
大
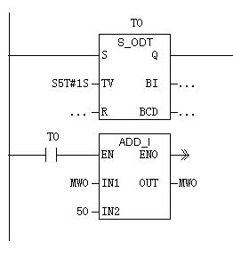
我是新手,想实现的功能是每1s加50的功能。不知道用什么方法实现?ADD-I只能“加”,怎么样可以“累加”。谢谢!
分享
醉湮邃虞
醉湮邃虞话老黑
级别: 略有小成
发送短信
加为好友
精华主题:
0
发帖数量:
225 个
工控威望:
409 点
下载积分:
1765 分
在线时间: 209(小时)
注册时间:
2009-01-16
最后登录:
2015-03-18
查看醉湮邃虞的
主题
/
回贴
1楼
发表于: 2010-03-06 13:24
只看该作者
|
小
中
大
LD SM0.5
EU
+I 50, VW0
AW>= VW0, 30000
MOVW 0, VW0
这段小程序可实现每秒+50功能,大于30000清零
棋牌比赛免费得实物,闲暇好去处
http://www.jj.cn/indexTG.html?promoterid=108502812
分享
yidianjiubao
级别: *
发送短信
加为好友
精华主题:
* 篇
发帖数量:
* 个
工控威望:
* 点
下载积分:
* 分
在线时间: (小时)
注册时间:
*
最后登录:
*
查看yidianjiubao的
主题
/
回贴
2楼
发表于: 2010-03-09 16:22
只看该作者
|
小
中
大
我用的是300
分享
sunrisk
级别: 略有小成
发送短信
加为好友
精华主题:
0
发帖数量:
302 个
工控威望:
461 点
下载积分:
1231 分
在线时间: 431(小时)
注册时间:
2009-04-24
最后登录:
2026-03-31
查看sunrisk的
主题
/
回贴
3楼
发表于: 2010-03-16 15:42
只看该作者
|
小
中
大
分享
上一主题
下一主题
工控人家园
西门子工控论坛
plc中怎么样可以实现加法的累积相加?
http://www.ymmfa.com
访问内容超出本站范围,不能确定是否安全
继续访问
取消访问