用户登陆
免费注册
找回密码
站内短信
论坛搜索
道具中心
统计排行
勋章中心
工控下载
购买产品
用户名
密码
输入验证码:
真相
综合讨论
资料互助
程序样例
三菱工控
西门子区
欧姆龙区
触摸屏区
工控人家园
程序样例
搜集的十四种单按钮控制启停的程序
上一主题
下一主题
«
1
2
3
4
5
»
Pages: 1/10 Go
fjqz00
级别: 论坛先锋
发送短信
加为好友
精华主题:
1 篇
发帖数量:
1237 个
工控威望:
1470 点
下载积分:
8210 分
在线时间: 379(小时)
注册时间:
2007-04-16
最后登录:
2026-03-23
查看fjqz00的
主题
/
回贴
楼主
发表于: 2007-09-04 17:10
只看楼主
|
小
中
大
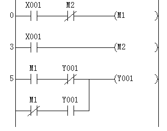
搜集的十四种单按钮控制启停的程序,觉得好用的话就顶一下。
本帖最近评分记录:
下载积分:+1(kug968) 好贴好贴!
下载积分:+1(dzwfosu) 优秀文章!
下载积分:+3(YMMFA) 鼓励!
分享
fjqz00
级别: 论坛先锋
发送短信
加为好友
精华主题:
1 篇
发帖数量:
1237 个
工控威望:
1470 点
下载积分:
8210 分
在线时间: 379(小时)
注册时间:
2007-04-16
最后登录:
2026-03-23
查看fjqz00的
主题
/
回贴
1楼
发表于: 2007-09-04 17:14
只看该作者
|
小
中
大
本帖最近评分记录:
下载积分:+1(丙丙)
分享
fjqz00
级别: 论坛先锋
发送短信
加为好友
精华主题:
1 篇
发帖数量:
1237 个
工控威望:
1470 点
下载积分:
8210 分
在线时间: 379(小时)
注册时间:
2007-04-16
最后登录:
2026-03-23
查看fjqz00的
主题
/
回贴
2楼
发表于: 2007-09-04 17:17
只看该作者
|
小
中
大
本帖最近评分记录:
下载积分:+5(wsir123) 感谢分享
分享
fjqz00
级别: 论坛先锋
发送短信
加为好友
精华主题:
1 篇
发帖数量:
1237 个
工控威望:
1470 点
下载积分:
8210 分
在线时间: 379(小时)
注册时间:
2007-04-16
最后登录:
2026-03-23
查看fjqz00的
主题
/
回贴
3楼
发表于: 2007-09-04 17:18
只看该作者
|
小
中
大
自己先顶下先
分享
ytmf0795
级别: 略有小成
发送短信
加为好友
精华主题:
0
发帖数量:
161 个
工控威望:
304 点
下载积分:
9882 分
在线时间: 131(小时)
注册时间:
2007-07-22
最后登录:
2016-11-04
查看ytmf0795的
主题
/
回贴
4楼
发表于: 2007-09-08 09:21
只看该作者
|
小
中
大
好啊 多谢啦 受用啦
分享
ytmf0795
级别: 略有小成
发送短信
加为好友
精华主题:
0
发帖数量:
161 个
工控威望:
304 点
下载积分:
9882 分
在线时间: 131(小时)
注册时间:
2007-07-22
最后登录:
2016-11-04
查看ytmf0795的
主题
/
回贴
5楼
发表于: 2007-09-08 09:28
只看该作者
|
小
中
大
很好用哦 我原来还在用两个按钮
分享
weizhuqiang
级别: 略有小成
发送短信
加为好友
精华主题:
0
发帖数量:
320 个
工控威望:
380 点
下载积分:
8635 分
在线时间: 228(小时)
注册时间:
2007-07-15
最后登录:
2016-10-24
查看weizhuqiang的
主题
/
回贴
6楼
发表于: 2007-09-15 20:36
只看该作者
|
小
中
大
好啊 多谢啦 受用啦
分享
cvlsam
富士低压,POD(觸摸屏),PLC专卖
级别: VIP会员
发送短信
加为好友
精华主题:
3 篇
发帖数量:
6662 个
工控威望:
38474 点
下载积分:
19774 分
在线时间: 9909(小时)
注册时间:
2006-09-13
最后登录:
2026-04-02
查看cvlsam的
主题
/
回贴
7楼
发表于: 2007-09-16 10:44
只看该作者
|
小
中
大
不错,但是很多方法实质上就是同一种方法,因此严格意义上来说并不能称为14种。
分享
nissan
级别: *
发送短信
加为好友
精华主题:
* 篇
发帖数量:
* 个
工控威望:
* 点
下载积分:
* 分
在线时间: (小时)
注册时间:
*
最后登录:
*
查看nissan的
主题
/
回贴
8楼
发表于: 2007-09-16 11:16
只看该作者
|
小
中
大
太好了,谢谢
分享
jwm
级别: 论坛先锋
发送短信
加为好友
精华主题:
0
发帖数量:
532 个
工控威望:
1418 点
下载积分:
73356 分
在线时间: 432(小时)
注册时间:
2007-08-06
最后登录:
2025-09-23
查看jwm的
主题
/
回贴
9楼
发表于: 2007-10-16 22:25
只看该作者
|
小
中
大
真的很不错,謝謝提供、大有收获。
分享
ch567890
级别: 略有小成
发送短信
加为好友
精华主题:
0
发帖数量:
70 个
工控威望:
228 点
下载积分:
767 分
在线时间: 42(小时)
注册时间:
2007-09-30
最后登录:
2025-09-09
查看ch567890的
主题
/
回贴
10楼
发表于: 2007-10-16 22:52
只看该作者
|
小
中
大
实用,多谢楼主!多谢版主!
分享
gkllj6666
级别: 探索解密
发送短信
加为好友
精华主题:
0
发帖数量:
32 个
工控威望:
194 点
下载积分:
1026 分
在线时间: 24(小时)
注册时间:
2007-10-05
最后登录:
2026-03-28
查看gkllj6666的
主题
/
回贴
11楼
发表于: 2007-10-17 09:57
只看该作者
|
小
中
大
好东西,请大家注意编程技巧
分享
上一主题
下一主题
«
1
2
3
4
5
»
Pages: 1/10 Go
工控人家园
程序样例
搜集的十四种单按钮控制启停的程序
http://www.ymmfa.com
访问内容超出本站范围,不能确定是否安全
继续访问
取消访问