• «
  • 1
  • 2
  • »
  • Pages: 2/2     Go
草原牧人
学必真,行必果……
级别: 略有小成
精华主题: 0
发帖数量: 272 个
工控威望: 412 点
下载积分: 2172 分
在线时间: 956(小时)
注册时间: 2007-10-02
最后登录: 2024-10-24
查看草原牧人的 主题 / 回贴
12楼  发表于: 2009-09-07 10:01
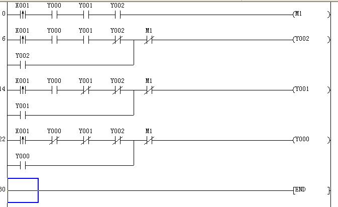
大家好:2楼的梯形图能实现一楼的功能,如果把2楼的梯形图改变排列后同样产生不同的结果,附上截图请高手指点。
图一:
  图二:
  图三:
  图四:
本帖最近评分记录:
  • 下载积分:+3(sjm213) 热心助人,加分表扬
    zhou8441
    纠结给力
    级别: 略有小成
    精华主题: 0
    发帖数量: 108 个
    工控威望: 231 点
    下载积分: 2090 分
    在线时间: 112(小时)
    注册时间: 2008-11-18
    最后登录: 2024-03-02
    查看zhou8441的 主题 / 回贴
    13楼  发表于: 2009-09-07 19:13
    2楼的程序实现不了1楼所要描述的功能!!!不信,你们可以防真试试看看啊!
    kensondeng
    级别: *
    精华主题: * 篇
    发帖数量: * 个
    工控威望: * 点
    下载积分: * 分
    在线时间: (小时)
    注册时间: *
    最后登录: *
    查看kensondeng的 主题 / 回贴
    14楼  发表于: 2009-09-07 20:14
    由于PLC的的扫描周期是MS级的...而我们的操作会在扫描周期以上..因此根本是不能看到上面的现象的.因此上面的程序是不能实现控制的要求的.试一下用触点比较的指令来做是完全可以达到这个要求的....
    本帖最近评分记录:
  • 下载积分:+1(sjm213) 热心助人,加分表扬
    冯10242757
    级别: *
    精华主题: * 篇
    发帖数量: * 个
    工控威望: * 点
    下载积分: * 分
    在线时间: (小时)
    注册时间: *
    最后登录: *
    查看冯10242757的 主题 / 回贴
    15楼  发表于: 2009-09-07 21:19
    二楼程序有问题,无法实现。第一次按X1,Y0有输出,第二次按X1,Y1输出,第三次按X1时Y2的输出实际是毫秒级无法觉察,同时当Y2一有输出就会使Y0.Y1.Y2同时复位,
    本帖最近评分记录:
  • 下载积分:+1(sjm213) 热心助人,加分表扬
    zhaoyang4505
    级别: *
    精华主题: * 篇
    发帖数量: * 个
    工控威望: * 点
    下载积分: * 分
    在线时间: (小时)
    注册时间: *
    最后登录: *
    查看zhaoyang4505的 主题 / 回贴
    16楼  发表于: 2009-09-07 21:48
    我怎么看也感觉二楼的可以实现啊。。。。当然,没实际试验。。。
    本帖最近评分记录:
  • 下载积分:+1(sjm213) 热心助人,加分表扬
    qwwee
    级别: *
    精华主题: * 篇
    发帖数量: * 个
    工控威望: * 点
    下载积分: * 分
    在线时间: (小时)
    注册时间: *
    最后登录: *
    查看qwwee的 主题 / 回贴
    17楼  发表于: 2009-09-08 20:30
    二楼的可以实现的 程序顺序不能错 因为涉及到一个扫描周期问题
    大家可以讨论讨论 一楼的要求可以用传统电路只用中间继电器实现吗?
    本帖最近评分记录:
  • 下载积分:+1(sjm213) 热心助人,加分表扬
    zxc6688
    工业自动化是我们的目标
    级别: 略有小成
    精华主题: 1 篇
    发帖数量: 377 个
    工控威望: 338 点
    下载积分: 4182 分
    在线时间: 174(小时)
    注册时间: 2007-09-11
    最后登录: 2024-01-05
    查看zxc6688的 主题 / 回贴
    18楼  发表于: 2009-09-08 20:50
    引用
    引用第14楼zhou8441于2009-09-07 19:13发表的  :
    2楼的程序实现不了1楼所要描述的功能!!!不信,你们可以防真试试看看啊!



    可以直接写到PLC里试试,有时仿真会跟实物有差别。因为仿真时固定为200MS扫描时间
    http://zxc6688.ys168.com/
    zxc6688
    工业自动化是我们的目标
    级别: 略有小成
    精华主题: 1 篇
    发帖数量: 377 个
    工控威望: 338 点
    下载积分: 4182 分
    在线时间: 174(小时)
    注册时间: 2007-09-11
    最后登录: 2024-01-05
    查看zxc6688的 主题 / 回贴
    19楼  发表于: 2009-09-09 08:24
    引用
    引用第15楼kensondeng于2009-09-07 20:14发表的  :
    由于PLC的的扫描周期是MS级的...而我们的操作会在扫描周期以上..因此根本是不能看到上面的现象的.因此上面的程序是不能实现控制的要求的.试一下用触点比较的指令来做是完全可以达到这个要求的....


    正因为是MS级的,所以要用上升沿指令。
    按下按钮,只接通一个扫描周期。如果按钮一直按着,下一个扫描周期会忽略这个按钮的接通状态。除非断开一次,重新接通。
    理解起来比较抽象,大家可以写几行程序,写到PLC实际试一下,就会看到效果了
    本帖最近评分记录:
  • 下载积分:+2(sjm213) 同意
  • http://zxc6688.ys168.com/
    zxc6688
    工业自动化是我们的目标
    级别: 略有小成
    精华主题: 1 篇
    发帖数量: 377 个
    工控威望: 338 点
    下载积分: 4182 分
    在线时间: 174(小时)
    注册时间: 2007-09-11
    最后登录: 2024-01-05
    查看zxc6688的 主题 / 回贴
    20楼  发表于: 2009-09-09 08:38
    回复所有对2楼程序有疑问的朋友
    实物和仿真都能通过。由于PLC工作的特殊性,告诉我们不同位置的相同程序,会得到不同的效果。这跟继电接触器的理解是不一样的。








    本帖最近评分记录:
  • 下载积分:+3(sjm213) 热心助人,加分表扬
  • http://zxc6688.ys168.com/
    ouyanshi
    我会做得更好
    级别: 探索解密
    精华主题: 0
    发帖数量: 93 个
    工控威望: 194 点
    下载积分: 2580 分
    在线时间: 122(小时)
    注册时间: 2009-08-25
    最后登录: 2019-08-14
    查看ouyanshi的 主题 / 回贴
    21楼  发表于: 2009-09-09 09:27
    2楼的程序本人仿真了一下,还是可以的,但是步序要正确,否则...............................
    本帖最近评分记录:
  • 下载积分:+1(sjm213) 热心助人,加分表扬
  • 知识改变命运  诚信创造成功
    marcelinho
    级别: 家园常客
    精华主题: 0
    发帖数量: 339 个
    工控威望: 620 点
    下载积分: 7484 分
    在线时间: 220(小时)
    注册时间: 2007-07-24
    最后登录: 2023-06-17
    查看marcelinho的 主题 / 回贴
    22楼  发表于: 2009-09-09 09:57
    我觉得这个程序没什么实际意义,用处不大
    本帖最近评分记录:
  • 下载积分:+1(sjm213) 热心助人,加分表扬
    • «
    • 1
    • 2
    • »
    • Pages: 2/2     Go