even1215
级别: *
精华主题: * 篇
发帖数量: * 个
工控威望: * 点
下载积分: * 分
在线时间: (小时)
注册时间: *
最后登录: *
查看even1215的 主题 / 回贴
楼主  发表于: 2009-06-12 13:31
图片:
图片:
图片:
图片:
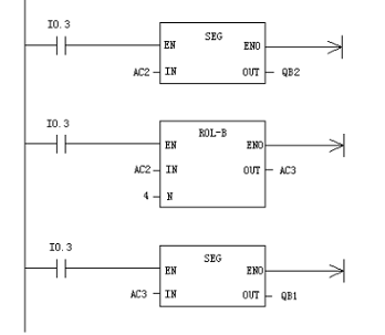
这个图怎么个意思能不能给个详细的说明呀。谢谢了。
[ 此帖被sjm213在2009-06-12 14:22重新编辑 ]
fx-n系列编程
级别: *
精华主题: * 篇
发帖数量: * 个
工控威望: * 点
下载积分: * 分
在线时间: (小时)
注册时间: *
最后登录: *
查看fx-n系列编程的 主题 / 回贴
1楼  发表于: 2009-06-12 13:34
这是好像是西门子的梯形图吧
even1215
级别: *
精华主题: * 篇
发帖数量: * 个
工控威望: * 点
下载积分: * 分
在线时间: (小时)
注册时间: *
最后登录: *
查看even1215的 主题 / 回贴
2楼  发表于: 2009-06-12 13:37
西门子的。谁能分步给介绍一下啊。
even1215
级别: *
精华主题: * 篇
发帖数量: * 个
工控威望: * 点
下载积分: * 分
在线时间: (小时)
注册时间: *
最后登录: *
查看even1215的 主题 / 回贴
3楼  发表于: 2009-06-12 13:42
还有谁能画实物模型与PLC的硬件连接图啊?
小侯
小侯
级别: 工控侠客
精华主题: 0
发帖数量: 487 个
工控威望: 2617 点
下载积分: 11512 分
在线时间: 543(小时)
注册时间: 2008-10-17
最后登录: 2026-01-06
查看小侯的 主题 / 回贴
4楼  发表于: 2009-06-12 13:43
除了用到功能方块以外的步序应该不难懂
只是ab接点触发使得辅助继电器触发
功能方块要查说明书才知道

连接硬件电路图用autocad画吧
sjm213
有小知识,无大学问。
级别: 论坛版主

精华主题: 6 篇
发帖数量: 5188 个
工控威望: 7549 点
下载积分: 163659 分
在线时间: 3269(小时)
注册时间: 2007-11-21
最后登录: 2026-01-06
查看sjm213的 主题 / 回贴
5楼  发表于: 2009-06-12 14:22
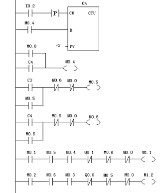
需要给出工艺过程或说明用于什么设备上以利于分析。

程序本身只是实现计数功能,C6以下的部分主要用于将C6计数值经QB1、QB2通过七段码显示器显示出来。
even1215
级别: *
精华主题: * 篇
发帖数量: * 个
工控威望: * 点
下载积分: * 分
在线时间: (小时)
注册时间: *
最后登录: *
查看even1215的 主题 / 回贴
6楼  发表于: 2009-06-12 14:42
还有谁还能提供一篇10来页的关于plc的英文文献及翻译呀。谢谢了。
湛江菜
兴趣是最好的老师
级别: 略有小成
精华主题: 0
发帖数量: 151 个
工控威望: 274 点
下载积分: 743 分
在线时间: 214(小时)
注册时间: 2008-12-10
最后登录: 2024-05-02
查看湛江菜的 主题 / 回贴
7楼  发表于: 2009-06-12 19:11
这个图怎么个意思能不能给个详细的说明呀。谢谢了。
xltnt
级别: *
精华主题: * 篇
发帖数量: * 个
工控威望: * 点
下载积分: * 分
在线时间: (小时)
注册时间: *
最后登录: *
查看xltnt的 主题 / 回贴
8楼  发表于: 2009-06-12 21:48
挺简单的一个程序
sjm213
有小知识,无大学问。
级别: 论坛版主

精华主题: 6 篇
发帖数量: 5188 个
工控威望: 7549 点
下载积分: 163659 分
在线时间: 3269(小时)
注册时间: 2007-11-21
最后登录: 2026-01-06
查看sjm213的 主题 / 回贴
9楼  发表于: 2009-06-12 22:30
C6以上是正、反计数用。动作流程比较奇怪。I0.1先On则C6只能加,I0.2先On则C6只能减。加的时候动作顺序只能是:(1)I0,1  ON  (2)I0.2  ON    (3)I0,1 ON  (4)I0,2  ON  此时C6为1  。以后I0.2每ON两次C6数值加1  。

C6之后的程序好像是将C6中计数值(0~99)用QB1、QB2显示出来(但是也要用到*AC1将C6的值取出来)。能显示两位数。但I0.3同时又将C6复位了……

程序中Q0.0 、 Q0.1 没有交代条件,却在M1.1  M1.2中使用到了,可见程序并不完整。不结合实际动作无法判定其意义。
[ 此帖被sjm213在2009-06-12 23:06重新编辑 ]
wwcwwc
级别: VIP会员

精华主题: 0
发帖数量: 3350 个
工控威望: 3201 点
下载积分: 70842 分
在线时间: 1610(小时)
注册时间: 2008-04-20
最后登录: 2026-01-03
查看wwcwwc的 主题 / 回贴
10楼  发表于: 2009-06-13 09:59
搂上说的补充:看起来好似一个智力比赛的游戏程序.没有实际意义.可能是那个学校的考试题目.
wl2009
级别: *
精华主题: * 篇
发帖数量: * 个
工控威望: * 点
下载积分: * 分
在线时间: (小时)
注册时间: *
最后登录: *
查看wl2009的 主题 / 回贴
11楼  发表于: 2009-06-14 08:39
这个好像是s7-200的,指令与300不太一样,看不太懂啊