用户登陆
免费注册
找回密码
站内短信
论坛搜索
道具中心
统计排行
勋章中心
工控下载
购买产品
用户名
密码
输入验证码:
科学
综合讨论
资料互助
程序样例
三菱工控
西门子区
欧姆龙区
触摸屏区
工控人家园
三菱工控论坛
三菱伺服选型问题
上一主题
下一主题
湛蓝小尔
工控交流 Q703935819
级别: 家园常客
发送短信
加为好友
精华主题:
0
发帖数量:
416 个
工控威望:
742 点
下载积分:
2523 分
在线时间: 90(小时)
注册时间:
2014-03-03
最后登录:
2026-05-23
查看湛蓝小尔的
主题
/
回贴
楼主
发表于: 52天前
只看楼主
|
小
中
大
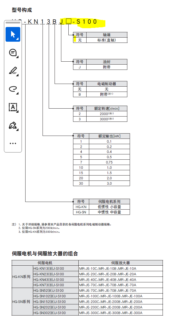
我选择了MR-JE-40A 然后配电机。,为什么选型工具配的电机和样本给的不一样,缺S100
专心搞钱
分享
jhon_13579
级别: 探索解密
发送短信
加为好友
精华主题:
0
发帖数量:
39 个
工控威望:
149 点
下载积分:
864 分
在线时间: 165(小时)
注册时间:
2011-05-15
最后登录:
2026-05-15
查看jhon_13579的
主题
/
回贴
1楼
发表于: 45天前
只看该作者
|
小
中
大
为什么要在意这个呢,JE的电机多是后缀S100的
分享
上一主题
下一主题
工控人家园
三菱工控论坛
三菱伺服选型问题
http://www.ymmfa.com
访问内容超出本站范围,不能确定是否安全
继续访问
取消访问