用户登陆
免费注册
找回密码
站内短信
论坛搜索
道具中心
统计排行
勋章中心
工控下载
购买产品
用户名
密码
输入验证码:
睡眠
综合讨论
资料互助
程序样例
三菱工控
西门子区
欧姆龙区
触摸屏区
工控人家园
西门子工控论坛
请教大家关于西门子200SMART程序
上一主题
下一主题
chishiliu
级别: 略有小成
发送短信
加为好友
精华主题:
0
发帖数量:
226 个
工控威望:
303 点
下载积分:
3251 分
在线时间: 51(小时)
注册时间:
2023-11-28
最后登录:
2026-04-29
查看chishiliu的
主题
/
回贴
楼主
发表于: 2024-08-21 08:45
只看楼主
|
小
中
大
图片:
图片:
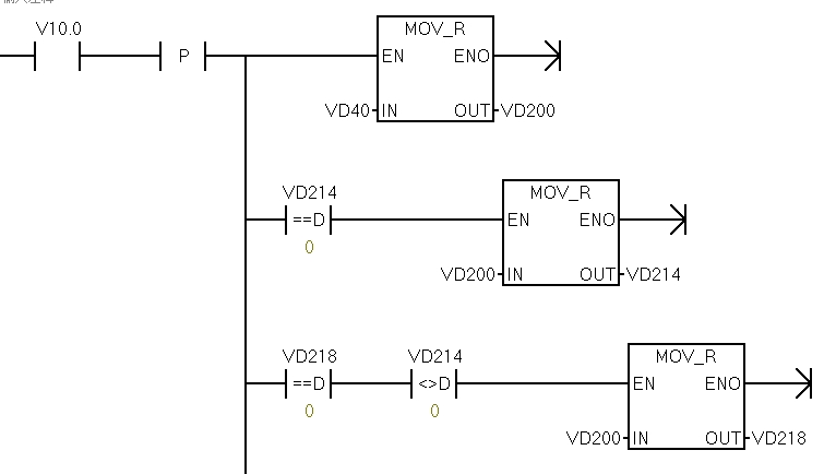
西门子200SMART程序,VD214为什么显示的是“无符号数值”,不能直接显示浮点数吗?如果想显示浮点数该怎么操作?用指令再转换一下浮点数吗?
分享
wzbarley
好好学习,天天向上。
级别: 略有小成
发送短信
加为好友
精华主题:
0
发帖数量:
230 个
工控威望:
275 点
下载积分:
31715 分
在线时间: 405(小时)
注册时间:
2023-09-27
最后登录:
2026-04-30
查看wzbarley的
主题
/
回贴
1楼
发表于: 2024-08-21 09:26
只看该作者
|
小
中
大
比较指令用错了;使用浮点数比较指令。如图:
好好学习,天天向上。
分享
chishiliu
级别: 略有小成
发送短信
加为好友
精华主题:
0
发帖数量:
226 个
工控威望:
303 点
下载积分:
3251 分
在线时间: 51(小时)
注册时间:
2023-11-28
最后登录:
2026-04-29
查看chishiliu的
主题
/
回贴
2楼
发表于: 2024-08-21 09:32
只看该作者
|
小
中
大
十分感谢
引用
引用第1楼wzbarley于2024-08-21 09:26发表的 :
比较指令用错了;使用浮点数比较指令。如图:
[attachment=302464]
分享
上一主题
下一主题
工控人家园
西门子工控论坛
请教大家关于西门子200SMART程序
http://www.ymmfa.com
访问内容超出本站范围,不能确定是否安全
继续访问
取消访问