用户登陆
免费注册
找回密码
站内短信
论坛搜索
道具中心
统计排行
勋章中心
工控下载
购买产品
用户名
密码
输入验证码:
认真
综合讨论
资料互助
程序样例
三菱工控
西门子区
欧姆龙区
触摸屏区
工控人家园
欧姆龙工控论坛
欧姆龙连接松下伺服极限问题
上一主题
下一主题
asd10086
级别: 探索解密
发送短信
加为好友
精华主题:
0
发帖数量:
43 个
工控威望:
145 点
下载积分:
1877 分
在线时间: 145(小时)
注册时间:
2020-02-10
最后登录:
2025-09-10
查看asd10086的
主题
/
回贴
楼主
发表于: 2022-07-23 16:52
只看楼主
|
小
中
大
图片:
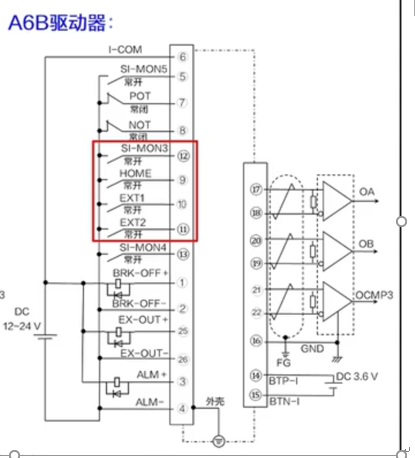
EtherCAt松下伺服的极限信号,怎么接线, 接7POT.8NOT.9HOME吗,有用过松下的EtherCAt,大佬请教下。这样接线有没有问题。
分享
冠军欧洲
级别: 略有小成
发送短信
加为好友
精华主题:
0
发帖数量:
228 个
工控威望:
321 点
下载积分:
2745 分
在线时间: 788(小时)
注册时间:
2018-10-19
最后登录:
2025-11-19
查看冠军欧洲的
主题
/
回贴
1楼
发表于: 2022-07-25 15:32
只看该作者
|
小
中
大
6再接入外部24v+,完事,在PLC的映射里在映射一下正负极限的地址
分享
上一主题
下一主题
工控人家园
欧姆龙工控论坛
欧姆龙连接松下伺服极限问题
http://www.ymmfa.com
访问内容超出本站范围,不能确定是否安全
继续访问
取消访问