用户登陆
免费注册
找回密码
站内短信
论坛搜索
道具中心
统计排行
勋章中心
工控下载
购买产品
用户名
密码
输入验证码:
科学
综合讨论
资料互助
程序样例
三菱工控
西门子区
欧姆龙区
触摸屏区
工控人家园
综合讨论
关于电动机星-三角启动的问题!
上一主题
下一主题
«
1
2
3
»
Pages: 3/3 Go
刘逸峰
级别: *
发送短信
加为好友
精华主题:
* 篇
发帖数量:
* 个
工控威望:
* 点
下载积分:
* 分
在线时间: (小时)
注册时间:
*
最后登录:
*
查看刘逸峰的
主题
/
回贴
24楼
发表于: 2018-04-17 14:43
只看该作者
|
小
中
大
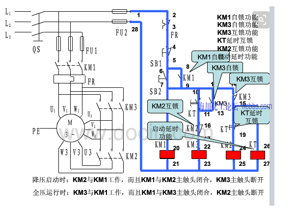
图片:
参考图片即可
分享
上一主题
下一主题
«
1
2
3
»
Pages: 3/3 Go
工控人家园
综合讨论
关于电动机星-三角启动的问题!
http://www.ymmfa.com
访问内容超出本站范围,不能确定是否安全
继续访问
取消访问