• «
  • 1
  • 2
  • »
  • Pages: 2/2     Go
wuwm_1974
级别: 略有小成
精华主题: 0
发帖数量: 106 个
工控威望: 205 点
下载积分: 3200 分
在线时间: 55(小时)
注册时间: 2014-11-28
最后登录: 2025-11-27
查看wuwm_1974的 主题 / 回贴
12楼  发表于: 2017-08-25 13:24
一次读6个字就可以了,怎么分了三次呢?
ADDr参数40001,VB1000是DataPtr参数的话,将CounT参数设置为6,
VD1000,VD1004,VD1008分别对应ABC三相电压
guozhongning
级别: 略有小成
精华主题: 0
发帖数量: 9 个
工控威望: 262 点
下载积分: 5892 分
在线时间: 12(小时)
注册时间: 2017-08-08
最后登录: 2019-03-02
查看guozhongning的 主题 / 回贴
13楼  发表于: 2017-08-28 07:07
这个问题我以前也曾经遇到过,确实要以40001开头来读取。
永恒14
级别: 略有小成
精华主题: 0
发帖数量: 327 个
工控威望: 451 点
下载积分: 14171 分
在线时间: 232(小时)
注册时间: 2014-12-17
最后登录: 2023-04-09
查看永恒14的 主题 / 回贴
14楼  发表于: 2017-08-28 19:10
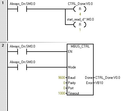
图片:
图片:
图片:
这样可以
shangbinhou
级别: 论坛先锋
精华主题: 0
发帖数量: 101 个
工控威望: 1049 点
下载积分: 2050 分
在线时间: 36(小时)
注册时间: 2013-07-02
最后登录: 2019-11-05
查看shangbinhou的 主题 / 回贴
15楼  发表于: 2018-01-25 15:37
引用
引用第9楼永恒14于2017-08-04 22:27发表的  :
A相电压读取中的 Addr----------40001
B相电压读取中的 Addr----------40003
C相电压读取中的 Addr----------40005

楼上正解
此用户比较懒什么也没留下!
  • «
  • 1
  • 2
  • »
  • Pages: 2/2     Go