用户登陆
免费注册
找回密码
站内短信
论坛搜索
道具中心
统计排行
勋章中心
工控下载
购买产品
用户名
密码
输入验证码:
细心
综合讨论
资料互助
程序样例
三菱工控
西门子区
欧姆龙区
触摸屏区
工控人家园
三菱工控论坛
三菱MR-J3伺服实现位置控制 ,看手册不会接线,就大神帮一忙
上一主题
下一主题
韩大帅
级别: 正式会员
发送短信
加为好友
精华主题:
0
发帖数量:
5 个
工控威望:
95 点
下载积分:
502 分
在线时间: 7(小时)
注册时间:
2014-06-30
最后登录:
2014-07-24
查看韩大帅的
主题
/
回贴
楼主
发表于: 2014-07-04 16:03
只看楼主
|
小
中
大
图片:
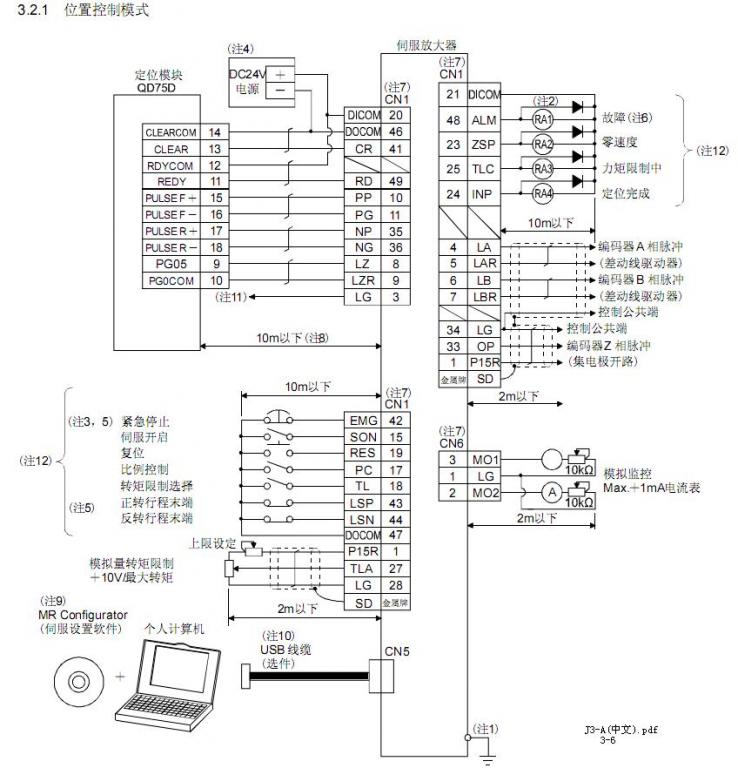
就是这个接线不会接,看不懂,求大神教,位置控制,应该接那几个接头,谢谢了
分享
上一主题
下一主题
工控人家园
三菱工控论坛
三菱MR-J3伺服实现位置控制 ,看手册不会接线,就大神帮一忙
http://www.ymmfa.com
访问内容超出本站范围,不能确定是否安全
继续访问
取消访问