用户登陆
免费注册
找回密码
站内短信
论坛搜索
道具中心
统计排行
勋章中心
工控下载
购买产品
用户名
密码
输入验证码:
睡眠
综合讨论
资料互助
程序样例
三菱工控
西门子区
欧姆龙区
触摸屏区
工控人家园
西门子工控论坛
高手指点一下
上一主题
下一主题
glever
级别: 探索解密
发送短信
加为好友
精华主题:
0
发帖数量:
9 个
工控威望:
138 点
下载积分:
587 分
在线时间: 4(小时)
注册时间:
2013-08-21
最后登录:
2015-11-19
查看glever的
主题
/
回贴
楼主
发表于: 2013-08-22 17:22
只看楼主
|
小
中
大
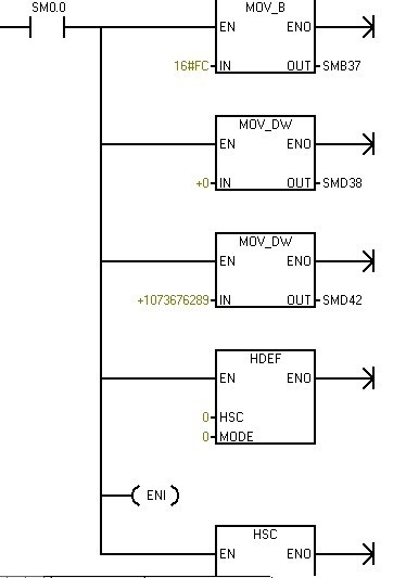
以下主程序中network2、network3、和network5的子程序是不是没法运行?也就是无效的,是这样吗?
分享
sjm213
有小知识,无大学问。
级别: 论坛版主
发送短信
加为好友
QQ联系
精华主题:
6 篇
发帖数量:
5188 个
工控威望:
7549 点
下载积分:
164169 分
在线时间: 3274(小时)
注册时间:
2007-11-21
最后登录:
2026-02-12
查看sjm213的
主题
/
回贴
1楼
发表于: 2013-08-22 19:28
只看该作者
|
小
中
大
network2和5不运行,network3是初始扫描时不运行,之后执行。
分享
glever
级别: 探索解密
发送短信
加为好友
精华主题:
0
发帖数量:
9 个
工控威望:
138 点
下载积分:
587 分
在线时间: 4(小时)
注册时间:
2013-08-21
最后登录:
2015-11-19
查看glever的
主题
/
回贴
2楼
发表于: 2013-08-22 21:46
只看该作者
|
小
中
大
程序里network3是一个高速计数器的初始化,但是是在network2里用到的,不知道为什么还让network3,而network2和network5无效,不是很明白这个程序。谢谢!
分享
glever
级别: 探索解密
发送短信
加为好友
精华主题:
0
发帖数量:
9 个
工控威望:
138 点
下载积分:
587 分
在线时间: 4(小时)
注册时间:
2013-08-21
最后登录:
2015-11-19
查看glever的
主题
/
回贴
3楼
发表于: 2013-08-22 22:23
只看该作者
|
小
中
大
图片:
network3的子程序,哪位简单解释一下,为什么还留着
分享
glever
级别: 探索解密
发送短信
加为好友
精华主题:
0
发帖数量:
9 个
工控威望:
138 点
下载积分:
587 分
在线时间: 4(小时)
注册时间:
2013-08-21
最后登录:
2015-11-19
查看glever的
主题
/
回贴
4楼
发表于: 2013-08-23 10:42
只看该作者
|
小
中
大
请教高手一下,以上高速计数器如果计数达到1073676289后能自动复位吗?还是到时候计数器就停止工作了?
分享
glever
级别: 探索解密
发送短信
加为好友
精华主题:
0
发帖数量:
9 个
工控威望:
138 点
下载积分:
587 分
在线时间: 4(小时)
注册时间:
2013-08-21
最后登录:
2015-11-19
查看glever的
主题
/
回贴
5楼
发表于: 2013-08-26 08:07
只看该作者
|
小
中
大
高手呢?
分享
glever
级别: 探索解密
发送短信
加为好友
精华主题:
0
发帖数量:
9 个
工控威望:
138 点
下载积分:
587 分
在线时间: 4(小时)
注册时间:
2013-08-21
最后登录:
2015-11-19
查看glever的
主题
/
回贴
6楼
发表于: 2013-08-26 11:18
只看该作者
|
小
中
大
HC0计数达到设定值后能自动复位,重新计数吗?怎么就没高手?
分享
诚信收购plc
级别: 略有小成
发送短信
加为好友
精华主题:
0
发帖数量:
10 个
工控威望:
212 点
下载积分:
730 分
在线时间: 13(小时)
注册时间:
2013-08-23
最后登录:
2013-09-24
查看诚信收购plc的
主题
/
回贴
7楼
发表于: 2013-08-26 17:28
只看该作者
|
小
中
大
学习下
分享
上一主题
下一主题
工控人家园
西门子工控论坛
高手指点一下
http://www.ymmfa.com
访问内容超出本站范围,不能确定是否安全
继续访问
取消访问