sxsheng
级别: 探索解密
精华主题: 0
发帖数量: 12 个
工控威望: 135 点
下载积分: 673 分
在线时间: 16(小时)
注册时间: 2013-01-18
最后登录: 2024-03-18
查看sxsheng的 主题 / 回贴
楼主  发表于: 2013-06-21 16:33
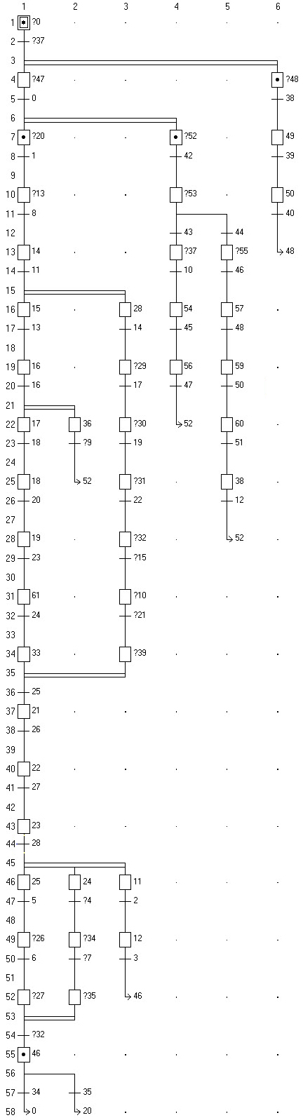
图片:
求哪位老师给指点下,SFC中的状态号可以随意更改吗?这个图中的状态号是系统自定的,好像是没有规律的,那里出并支另立山头,那里就随机给个数字号的,这样对程序运行的稳定性没有影响吗?请看上图;  还有,在此图中28状态器中的动作(只有一个保压功能)跟随15状态器并支行走,直至与主线上的33号状态器合并为止,接下来的一个状态号就是为其复位。请问这一支段上有很多带问号的空状态器(过渡用)需要填写什么内容吗?恳请哪位大师仙手指点?拜托
[ 此帖被sxsheng在2013-06-21 16:49重新编辑 ]
30880813
级别: 论坛先锋
精华主题: 0
发帖数量: 86 个
工控威望: 1048 点
下载积分: 912 分
在线时间: 69(小时)
注册时间: 2012-11-15
最后登录: 2025-08-25
查看30880813的 主题 / 回贴
1楼  发表于: 2013-06-22 11:02
带?的,表示你没有编程,SFC是可以修改的,但是建议如果对SFC不太了解的话,还是先转化成梯形图,然后在梯形图里改,最后在转成SFC