用户登陆
免费注册
找回密码
站内短信
论坛搜索
道具中心
统计排行
勋章中心
工控下载
购买产品
用户名
密码
输入验证码:
细心
综合讨论
资料互助
程序样例
三菱工控
西门子区
欧姆龙区
触摸屏区
工控人家园
综合讨论
求助,永宏一个PLC一个编程的问题,
上一主题
下一主题
yuanshunk
天行健,君子以自强不息 !!!
级别: 家园常客
发送短信
加为好友
QQ联系
精华主题:
0
发帖数量:
169 个
工控威望:
989 点
下载积分:
2475 分
在线时间: 65(小时)
注册时间:
2010-05-13
最后登录:
2018-11-16
查看yuanshunk的
主题
/
回贴
楼主
发表于: 2012-07-12 17:19
只看楼主
|
小
中
大
图片:
如图,请各位大侠帮忙改改,最好有个图片。
我刚刚用永宏的PLC ,以前是用三菱的,
付原程序!!!
[ 此帖被yuanshunk在2012-07-13 10:16重新编辑 ]
附件:
耳机插头冲压机-000.rar
(5 K) 下载次数:12
分享
yimeng5132
﹍ ﹎勉强笑着,只有自己才知道自己有多累。很多东西不是我不在
级别: 论坛先锋
发送短信
加为好友
精华主题:
0
发帖数量:
159 个
工控威望:
1021 点
下载积分:
5602 分
在线时间: 113(小时)
注册时间:
2011-03-27
最后登录:
2025-06-04
查看yimeng5132的
主题
/
回贴
1楼
发表于: 2012-07-12 18:37
只看该作者
|
小
中
大
程序不完整,无法找出问题。
为者!能忍人所不能忍,为人所不能为,才能成人所不能成!吾非池中物,定当舞蛟龙!任天有多广,我要飞多高;凭海有多宽,势必游多远!
分享
yuanshunk
天行健,君子以自强不息 !!!
级别: 家园常客
发送短信
加为好友
QQ联系
精华主题:
0
发帖数量:
169 个
工控威望:
989 点
下载积分:
2475 分
在线时间: 65(小时)
注册时间:
2010-05-13
最后登录:
2018-11-16
查看yuanshunk的
主题
/
回贴
2楼
发表于: 2012-07-12 19:08
只看该作者
|
小
中
大
请各位大侠帮忙了。应该不需要完整的程序吧,
我的QQ77323671
分享
yimeng5132
﹍ ﹎勉强笑着,只有自己才知道自己有多累。很多东西不是我不在
级别: 论坛先锋
发送短信
加为好友
精华主题:
0
发帖数量:
159 个
工控威望:
1021 点
下载积分:
5602 分
在线时间: 113(小时)
注册时间:
2011-03-27
最后登录:
2025-06-04
查看yimeng5132的
主题
/
回贴
3楼
发表于: 2012-07-12 19:30
只看该作者
|
小
中
大
在这个并行结束分支之前
图1
应该有一个这样的并行开始分支,与之配对
图2
写图1之前,必须要先有图2.
[ 此帖被yimeng5132在2012-07-12 19:45重新编辑 ]
为者!能忍人所不能忍,为人所不能为,才能成人所不能成!吾非池中物,定当舞蛟龙!任天有多广,我要飞多高;凭海有多宽,势必游多远!
分享
静芳
级别: 工控侠客
发送短信
加为好友
精华主题:
0
发帖数量:
921 个
工控威望:
3038 点
下载积分:
3306 分
在线时间: 205(小时)
注册时间:
2010-02-05
最后登录:
2025-12-16
查看静芳的
主题
/
回贴
4楼
发表于: 2012-07-12 20:19
只看该作者
|
小
中
大
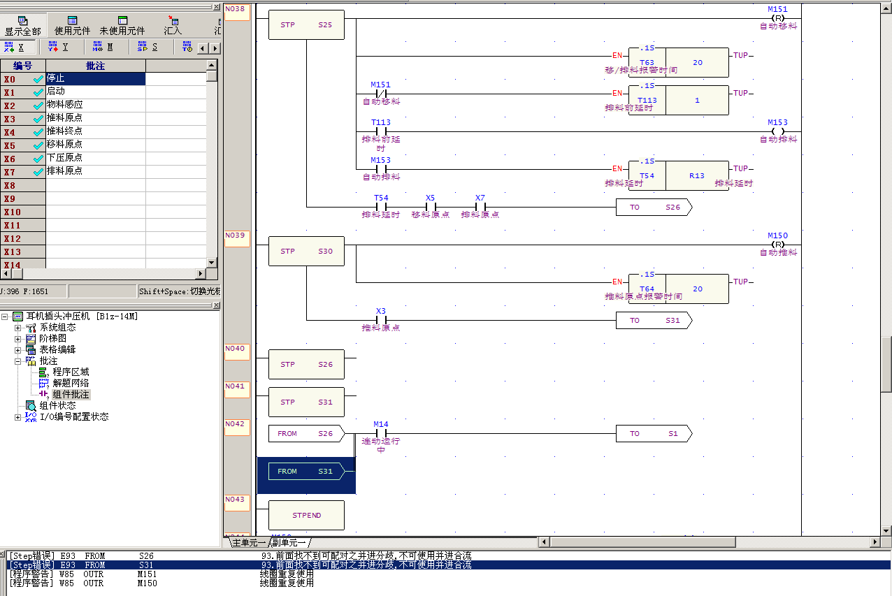
你双击错误提示行,光标会自己调到错误的地方。或者你上传程序我们帮你看下
分享
yuanshunk
天行健,君子以自强不息 !!!
级别: 家园常客
发送短信
加为好友
QQ联系
精华主题:
0
发帖数量:
169 个
工控威望:
989 点
下载积分:
2475 分
在线时间: 65(小时)
注册时间:
2010-05-13
最后登录:
2018-11-16
查看yuanshunk的
主题
/
回贴
5楼
发表于: 2012-07-13 08:59
只看该作者
|
小
中
大
图片:
图片:
请问,我该怎么改,我是按照书上写的格式编写的啊
线上等!请各位高手帮帮忙
分享
yuanshunk
天行健,君子以自强不息 !!!
级别: 家园常客
发送短信
加为好友
QQ联系
精华主题:
0
发帖数量:
169 个
工控威望:
989 点
下载积分:
2475 分
在线时间: 65(小时)
注册时间:
2010-05-13
最后登录:
2018-11-16
查看yuanshunk的
主题
/
回贴
6楼
发表于: 2012-07-13 10:40
只看该作者
|
小
中
大
搞定了。
分享
上一主题
下一主题
工控人家园
综合讨论
求助,永宏一个PLC一个编程的问题,
http://www.ymmfa.com
访问内容超出本站范围,不能确定是否安全
继续访问
取消访问