用户登陆
免费注册
找回密码
站内短信
论坛搜索
道具中心
统计排行
勋章中心
工控下载
购买产品
用户名
密码
输入验证码:
认真
综合讨论
资料互助
程序样例
三菱工控
西门子区
欧姆龙区
触摸屏区
工控人家园
综合讨论
梯形图输入
上一主题
下一主题
huangliangl
天道~酬勤
级别: 略有小成
发送短信
加为好友
QQ联系
精华主题:
0
发帖数量:
207 个
工控威望:
388 点
下载积分:
554 分
在线时间: 61(小时)
注册时间:
2010-11-12
最后登录:
2025-12-17
查看huangliangl的
主题
/
回贴
楼主
发表于: 2011-11-23 22:39
全看
|
小
中
大
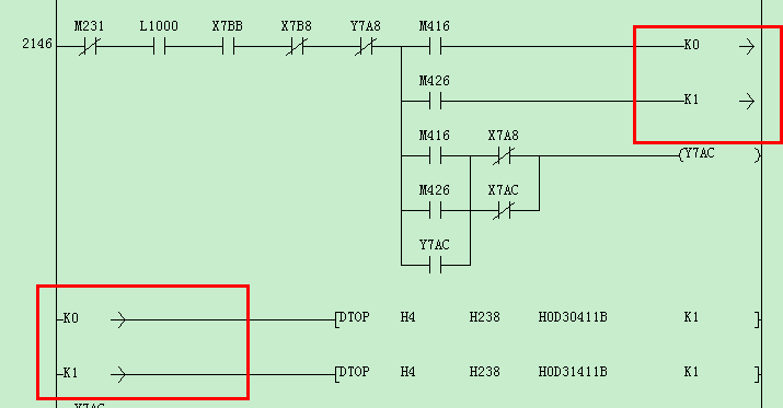
请问各位大侠,该图中所框的类似箭头的梯形图怎么输入?谢谢!
分享
ehat
没有最好,只有更好!
级别: 网络英雄
发送短信
加为好友
QQ联系
精华主题:
0
发帖数量:
462 个
工控威望:
5060 点
下载积分:
46050 分
在线时间: 278(小时)
注册时间:
2011-06-25
最后登录:
2026-04-01
查看ehat的
主题
/
回贴
1楼
发表于: 2012-02-02 10:59
全看
|
小
中
大
自动换行
分享
上一主题
下一主题
工控人家园
综合讨论
梯形图输入
http://www.ymmfa.com
访问内容超出本站范围,不能确定是否安全
继续访问
取消访问