用户登陆
免费注册
找回密码
站内短信
论坛搜索
道具中心
统计排行
勋章中心
工控下载
购买产品
用户名
密码
输入验证码:
睡眠
综合讨论
资料互助
程序样例
三菱工控
西门子区
欧姆龙区
触摸屏区
工控人家园
资料互助
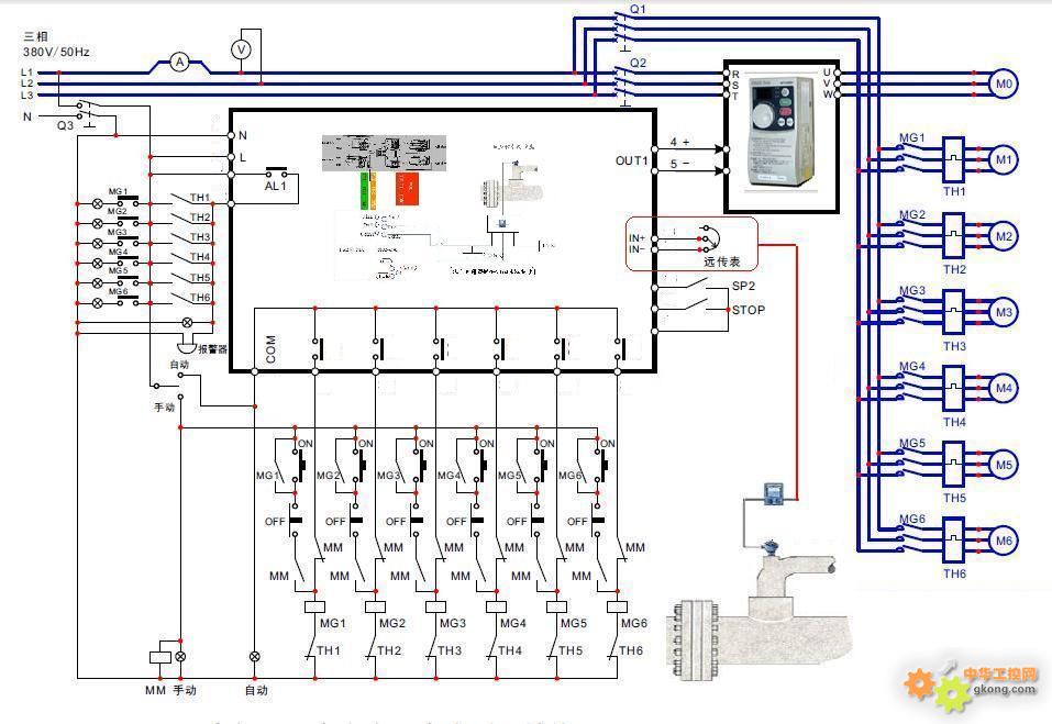
三菱PLC 变频器一拖N接线图
上一主题
下一主题
chenshiji618
我就是我不一样的烟火 我自己看了都上火!
级别: 网络英雄
发送短信
加为好友
QQ联系
阿里旺旺
精华主题:
0
发帖数量:
711 个
工控威望:
9066 点
下载积分:
3380 分
在线时间: 526(小时)
注册时间:
2011-07-02
最后登录:
2026-03-17
查看chenshiji618的
主题
/
回贴
楼主
发表于: 2011-11-10 15:50
只看楼主
|
小
中
大
三菱PLC 变频器一拖N接线图
分享
上一主题
下一主题
工控人家园
资料互助
三菱PLC 变频器一拖N接线图
http://www.ymmfa.com
访问内容超出本站范围,不能确定是否安全
继续访问
取消访问