用户登陆
免费注册
找回密码
站内短信
论坛搜索
道具中心
统计排行
勋章中心
工控下载
购买产品
用户名
密码
输入验证码:
细心
综合讨论
资料互助
程序样例
三菱工控
西门子区
欧姆龙区
触摸屏区
工控人家园
三菱工控论坛
plc怎么控制一个12V的灯泡
上一主题
下一主题
«
1
2
»
Pages: 2/2 Go
文名
埋头苦学
级别: 网络英雄
发送短信
加为好友
QQ联系
精华主题:
0
发帖数量:
399 个
工控威望:
5172 点
下载积分:
13142 分
在线时间: 290(小时)
注册时间:
2011-08-02
最后登录:
2025-04-09
查看文名的
主题
/
回贴
12楼
发表于: 2011-10-15 19:04
只看该作者
|
小
中
大
PLC是怎么控制继电器的 能画个图给我看看 么
============
菜鸟就是勇敢的小鸟 菜鸟终究会有一天变成老鸟 我一路狂奔!通往牛X的路上 勿失约,毋失信,顾此生,方坦然。
分享
文名
埋头苦学
级别: 网络英雄
发送短信
加为好友
QQ联系
精华主题:
0
发帖数量:
399 个
工控威望:
5172 点
下载积分:
13142 分
在线时间: 290(小时)
注册时间:
2011-08-02
最后登录:
2025-04-09
查看文名的
主题
/
回贴
13楼
发表于: 2011-10-15 19:05
只看该作者
|
小
中
大
PLC是怎么控制继电器的 能画个图给我看看 么
===========================
这个不是很简单
菜鸟就是勇敢的小鸟 菜鸟终究会有一天变成老鸟 我一路狂奔!通往牛X的路上 勿失约,毋失信,顾此生,方坦然。
分享
lpg888
级别: *
发送短信
加为好友
精华主题:
* 篇
发帖数量:
* 个
工控威望:
* 点
下载积分:
* 分
在线时间: (小时)
注册时间:
*
最后登录:
*
查看lpg888的
主题
/
回贴
14楼
发表于: 2011-10-15 21:55
只看该作者
|
小
中
大
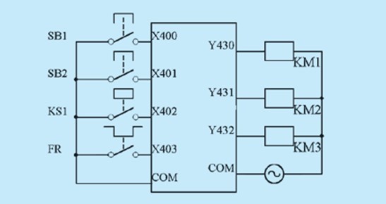
不是没人回复,而这你的要求太简单,他们不屑下面的图希望你能看懂,不懂再问
分享
kf123
没有最好,只有更好。
级别: 论坛先锋
发送短信
加为好友
精华主题:
0
发帖数量:
588 个
工控威望:
1560 点
下载积分:
3562 分
在线时间: 185(小时)
注册时间:
2011-06-07
最后登录:
2025-10-19
查看kf123的
主题
/
回贴
15楼
发表于: 2011-10-15 22:33
只看该作者
|
小
中
大
这有点困难
春有百花秋有月,夏有凉风冬有雪。若无闲事挂心头,便是人间好时节
分享
lpg888
级别: *
发送短信
加为好友
精华主题:
* 篇
发帖数量:
* 个
工控威望:
* 点
下载积分:
* 分
在线时间: (小时)
注册时间:
*
最后登录:
*
查看lpg888的
主题
/
回贴
16楼
发表于: 2011-10-15 22:35
只看该作者
|
小
中
大
这是最简单了,看不懂,就不用学这个了
分享
lpg888
级别: *
发送短信
加为好友
精华主题:
* 篇
发帖数量:
* 个
工控威望:
* 点
下载积分:
* 分
在线时间: (小时)
注册时间:
*
最后登录:
*
查看lpg888的
主题
/
回贴
17楼
发表于: 2011-10-15 22:36
只看该作者
|
小
中
大
这个再看不懂,你就改行吧,
分享
cghaou
庸人扰扰,小人苟苟。
级别: 略有小成
发送短信
加为好友
精华主题:
0
发帖数量:
75 个
工控威望:
222 点
下载积分:
555 分
在线时间: 141(小时)
注册时间:
2009-04-10
最后登录:
2024-11-29
查看cghaou的
主题
/
回贴
18楼
发表于: 2011-10-17 11:38
只看该作者
|
小
中
大
PLC FX1S-14MT输出,是用直流电源。用交流电,应该会出现你说的那种情况。
楼主留言:
热心助人 谢谢我了解了情况 是MT mr的区别
现在会用了
分享
kyy80
态度决定一切``````
级别: 工控侠客
发送短信
加为好友
QQ联系
精华主题:
0
发帖数量:
1199 个
工控威望:
3508 点
下载积分:
4427 分
在线时间: 1994(小时)
注册时间:
2008-02-17
最后登录:
2025-11-12
查看kyy80的
主题
/
回贴
19楼
发表于: 2011-10-17 14:04
只看该作者
|
小
中
大
多点看书。。。。。。。唉。。。。
分享
亮亮1986
级别: *
发送短信
加为好友
精华主题:
* 篇
发帖数量:
* 个
工控威望:
* 点
下载积分:
* 分
在线时间: (小时)
注册时间:
*
最后登录:
*
查看亮亮1986的
主题
/
回贴
20楼
发表于: 2011-10-18 07:02
只看该作者
|
小
中
大
分享
tianyameng12
级别: 探索解密
发送短信
加为好友
精华主题:
0
发帖数量:
56 个
工控威望:
184 点
下载积分:
574 分
在线时间: 19(小时)
注册时间:
2011-10-14
最后登录:
2025-11-11
查看tianyameng12的
主题
/
回贴
21楼
发表于: 2011-10-27 08:39
只看该作者
|
小
中
大
谢谢 各位为我解答~这个是PLC的问题MT 和MR 的问题
分享
jinshanhao00
级别: *
发送短信
加为好友
精华主题:
* 篇
发帖数量:
* 个
工控威望:
* 点
下载积分:
* 分
在线时间: (小时)
注册时间:
*
最后登录:
*
查看jinshanhao00的
主题
/
回贴
22楼
发表于: 2011-11-02 14:16
只看该作者
|
小
中
大
太浪费了也,你直接就把开关搞到电路里边,连好线,你要灯泡慢点熄灭,可以加个电感啊。一切就了然了啊。
分享
shidegang
级别: 略有小成
发送短信
加为好友
精华主题:
0
发帖数量:
93 个
工控威望:
201 点
下载积分:
680 分
在线时间: 37(小时)
注册时间:
2010-08-13
最后登录:
2015-04-02
查看shidegang的
主题
/
回贴
23楼
发表于: 2011-11-02 14:32
只看该作者
|
小
中
大
这……这个问题太有深度了。
分享
上一主题
下一主题
«
1
2
»
Pages: 2/2 Go
工控人家园
三菱工控论坛
plc怎么控制一个12V的灯泡
http://www.ymmfa.com
访问内容超出本站范围,不能确定是否安全
继续访问
取消访问