• «
  • 1
  • 2
  • »
  • Pages: 2/2     Go
铭杰工控
温岭市正凯自动化设备有限公司
级别: 网络英雄

精华主题: 0
发帖数量: 1803 个
工控威望: 6491 点
下载积分: 1160 分
在线时间: 1085(小时)
注册时间: 2009-01-13
最后登录: 2025-12-29
查看铭杰工控的 主题 / 回贴
12楼  发表于: 2011-07-11 12:30
我来上图吧,自己做过的机器的图纸,希望对楼主有帮助,说得再多没有图纸直观。  
温岭市正凯自动化设备有限公司  15057679726
全自动换箱机 催化剂再生、处置智能装备 MES软件 WCS软件 注塑工厂整体智能化解决方案    重载桁架机械手
铭杰工控
温岭市正凯自动化设备有限公司
级别: 网络英雄

精华主题: 0
发帖数量: 1803 个
工控威望: 6491 点
下载积分: 1160 分
在线时间: 1085(小时)
注册时间: 2009-01-13
最后登录: 2025-12-29
查看铭杰工控的 主题 / 回贴
13楼  发表于: 2011-07-11 12:35
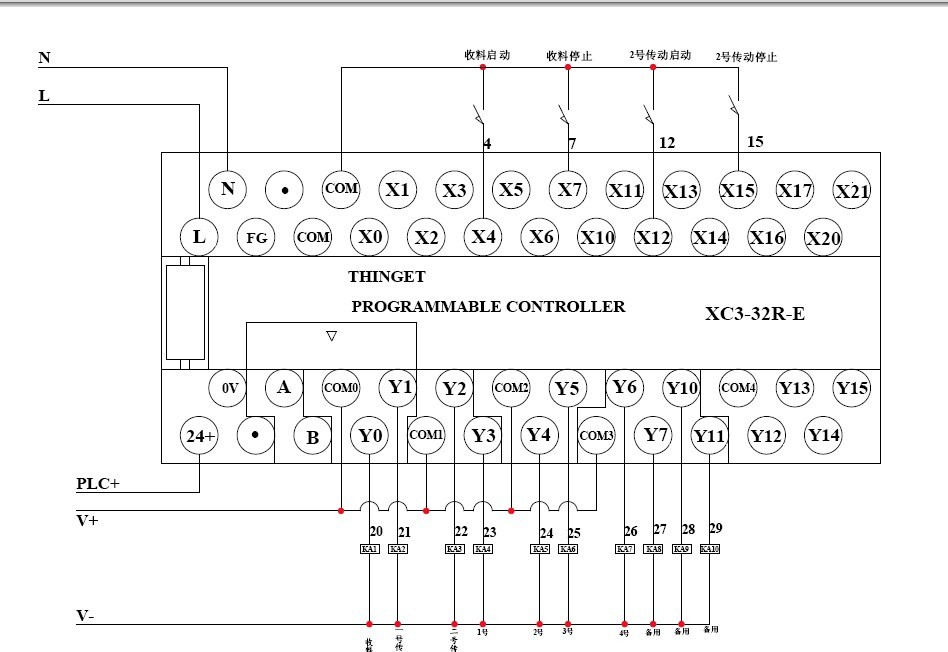
图片:
再来一个继电器输出类型的
温岭市正凯自动化设备有限公司  15057679726
全自动换箱机 催化剂再生、处置智能装备 MES软件 WCS软件 注塑工厂整体智能化解决方案    重载桁架机械手
铭杰工控
温岭市正凯自动化设备有限公司
级别: 网络英雄

精华主题: 0
发帖数量: 1803 个
工控威望: 6491 点
下载积分: 1160 分
在线时间: 1085(小时)
注册时间: 2009-01-13
最后登录: 2025-12-29
查看铭杰工控的 主题 / 回贴
14楼  发表于: 2011-07-11 12:37
[
不知道楼主看明白没有,如果还是不会,可将此工程外包给我。呵呵。
温岭市正凯自动化设备有限公司  15057679726
全自动换箱机 催化剂再生、处置智能装备 MES软件 WCS软件 注塑工厂整体智能化解决方案    重载桁架机械手
铭杰工控
温岭市正凯自动化设备有限公司
级别: 网络英雄

精华主题: 0
发帖数量: 1803 个
工控威望: 6491 点
下载积分: 1160 分
在线时间: 1085(小时)
注册时间: 2009-01-13
最后登录: 2025-12-29
查看铭杰工控的 主题 / 回贴
15楼  发表于: 2011-07-11 12:40
唉,来晚了,被先走私了。
温岭市正凯自动化设备有限公司  15057679726
全自动换箱机 催化剂再生、处置智能装备 MES软件 WCS软件 注塑工厂整体智能化解决方案    重载桁架机械手
铭杰工控
温岭市正凯自动化设备有限公司
级别: 网络英雄

精华主题: 0
发帖数量: 1803 个
工控威望: 6491 点
下载积分: 1160 分
在线时间: 1085(小时)
注册时间: 2009-01-13
最后登录: 2025-12-29
查看铭杰工控的 主题 / 回贴
16楼  发表于: 2011-07-12 14:15
郁闷啊,来晚了没人跟贴。泪奔.
温岭市正凯自动化设备有限公司  15057679726
全自动换箱机 催化剂再生、处置智能装备 MES软件 WCS软件 注塑工厂整体智能化解决方案    重载桁架机械手
铭杰工控
温岭市正凯自动化设备有限公司
级别: 网络英雄

精华主题: 0
发帖数量: 1803 个
工控威望: 6491 点
下载积分: 1160 分
在线时间: 1085(小时)
注册时间: 2009-01-13
最后登录: 2025-12-29
查看铭杰工控的 主题 / 回贴
17楼  发表于: 2011-07-12 16:48
只是不见楼主有点奇怪。
楼主留言:
这些天都没有时间,忙,一般我都忙到晚上1点
温岭市正凯自动化设备有限公司  15057679726
全自动换箱机 催化剂再生、处置智能装备 MES软件 WCS软件 注塑工厂整体智能化解决方案    重载桁架机械手
yjhdlp
级别: 家园常客
精华主题: 0
发帖数量: 475 个
工控威望: 625 点
下载积分: 2269 分
在线时间: 178(小时)
注册时间: 2010-11-13
最后登录: 2026-03-01
查看yjhdlp的 主题 / 回贴
18楼  发表于: 2011-07-12 20:24
学习了。
dl2006
没有女人冷冷清清,女人多了鸡犬不宁
级别: 网络英雄
精华主题: 0
发帖数量: 1169 个
工控威望: 5896 点
下载积分: 17019 分
在线时间: 854(小时)
注册时间: 2006-09-07
最后登录: 2025-12-24
查看dl2006的 主题 / 回贴
19楼  发表于: 2011-07-12 22:00
看了一下楼主的图纸有几点没画好,    一:,AC220电源标示的不好,只是把开关电源和PLC相连通并没有电源的进线标示.开关电源输出端子没有标示DC24V,(虽然开关电源型号上已注名120W24V,最好还是在接线端上标示一下最好不过了.)    二:输入的磁感应开关接线没有画好,漏刑PLC的输入端X在没低电平导通时其内部回路是高电平信号,楼主所画的磁感应开关另一端接DC24V正极也就是高电平信号,所以不能构成回路无法工作,要改接至DC24V负极端.     三:PLC输出部分的电磁阀线圈不能串入指示灯,可以用并联接法.
对不起是一种真诚,没关系是一种风度。如果你付出了真诚,却得不到风度,那只能说明对方的无知与粗俗
xlqlh
秦汉
级别: 论坛先锋
精华主题: 0
发帖数量: 371 个
工控威望: 1888 点
下载积分: 14332 分
在线时间: 122(小时)
注册时间: 2011-03-28
最后登录: 2025-05-12
查看xlqlh的 主题 / 回贴
20楼  发表于: 2011-07-12 22:11
可将此工程外包给我。呵呵。
秦汉
lizhihua
lizhihua
级别: 略有小成
精华主题: 0
发帖数量: 240 个
工控威望: 412 点
下载积分: 462 分
在线时间: 246(小时)
注册时间: 2011-05-24
最后登录: 2025-11-19
查看lizhihua的 主题 / 回贴
21楼  发表于: 2011-07-13 18:40
学习了
snaly
级别: *
精华主题: * 篇
发帖数量: * 个
工控威望: * 点
下载积分: * 分
在线时间: (小时)
注册时间: *
最后登录: *
查看snaly的 主题 / 回贴
22楼  发表于: 2011-07-13 23:37
感谢以上各位的回复
  • «
  • 1
  • 2
  • »
  • Pages: 2/2     Go