xuehi
xuehi
级别: 略有小成
精华主题: 0
发帖数量: 249 个
工控威望: 322 点
下载积分: 2380 分
在线时间: 1111(小时)
注册时间: 2010-01-23
最后登录: 2026-04-14
查看xuehi的 主题 / 回贴
36楼  发表于: 2010-07-02 23:16
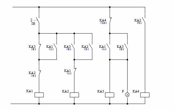
KA1和KA2的常闭互锁是不可以省略掉。
要是按钮多按一会儿就会再启动了
xuehi
xuehi
级别: 略有小成
精华主题: 0
发帖数量: 249 个
工控威望: 322 点
下载积分: 2380 分
在线时间: 1111(小时)
注册时间: 2010-01-23
最后登录: 2026-04-14
查看xuehi的 主题 / 回贴
37楼  发表于: 2010-07-02 23:23
写错了是KA1和KA2的常开自锁是不可以省略掉。KA1和KA2的常闭互锁也是不可以省略掉
wyb2866255
级别: *
精华主题: * 篇
发帖数量: * 个
工控威望: * 点
下载积分: * 分
在线时间: (小时)
注册时间: *
最后登录: *
查看wyb2866255的 主题 / 回贴
38楼  发表于: 2010-07-03 10:47
1、用硬件:可用三个直流中间继电器,一个电解电容(200uF)J及一个电阻组成。按钮选用有两组常开常闭,三个继电器命名为J1、J2
     J3,按钮为K,电路连接是这样的:(1)J1的线圈一段接电源正极,另一端接J2的常闭触点一端,常闭触点的另一端接按钮K,K的
   另一端接电源的地,再用JI 的一组常开触点与按钮K 并联。(2)、J2线圈一端接电源+,另一端串接J3 的常开触点,再串接按钮K,再
   接地,(3)、J3与电解电容并联,电解的正极接电源+,负极接电阻,电阻另一端接按钮K的常闭触点,再串接J1 的常开触点,J1的
   另一端接地。请按上述说明画出线路图。
       动作原理:接通电源,J1、J2、J3皆未导通,此时按下按钮,J1支路的J2 触电闭合,故J1 通电且自锁,J1保持通电状态。而此时
   J2 支路由于其J3的触点断开,故J2 未导通。J3支路在按钮抬起后,由于其J1触点、K的触点皆已闭合,支路导通,但由于J3线圈并接
   电容,J3 需延时一段时间方可导通。再按按钮,J2支路由于其J3触点已闭合,J2通电,J2的导通,使J1断电,J1的断电又会使J3断电
   该电路稳定动作可靠。
2、用PLC编程:可选用RS触发器完成:RS的S 的输入口接按钮K的常开点串接RS输出点的常闭点,RS的 R 的输入口接按钮K的常开点
   串接RS输出点的常闭点,即可实现你要求的功能。当RS反转时,RS输出点的触点开关的动作时间比RS的触点开关的动作时间滞后,
   可确保动作可靠。









=
楼主留言:
你这是干嘛?摆迷魂阵?
wxyqzjl
级别: 略有小成
精华主题: 0
发帖数量: 353 个
工控威望: 468 点
下载积分: 7194 分
在线时间: 179(小时)
注册时间: 2006-10-08
最后登录: 2026-02-08
查看wxyqzjl的 主题 / 回贴
39楼  发表于: 2010-07-03 13:41
cuo le
techo
级别: 略有小成
精华主题: 0
发帖数量: 319 个
工控威望: 409 点
下载积分: 1314 分
在线时间: 117(小时)
注册时间: 2010-05-09
最后登录: 2015-11-29
查看techo的 主题 / 回贴
40楼  发表于: 2010-07-03 15:48
不就是一个ALT 指令吗,参见三菱编程手册 P252 的例子。
techo
级别: 略有小成
精华主题: 0
发帖数量: 319 个
工控威望: 409 点
下载积分: 1314 分
在线时间: 117(小时)
注册时间: 2010-05-09
最后登录: 2015-11-29
查看techo的 主题 / 回贴
41楼  发表于: 2010-07-03 15:58
3年前我们到一家日资企业面试,就被考过这一题,没啥呀,三菱和台达PLC 都有这个指令。面试电气工程师要你做编程的,考核你对PLC应用指令掌握的熟练程度。
yuan3421
级别: *
精华主题: * 篇
发帖数量: * 个
工控威望: * 点
下载积分: * 分
在线时间: (小时)
注册时间: *
最后登录: *
查看yuan3421的 主题 / 回贴
42楼  发表于: 2010-07-06 11:50
24楼的根本就不行,没有动作
wen_xianjun
级别: 论坛先锋
精华主题: 0
发帖数量: 567 个
工控威望: 1074 点
下载积分: 32362 分
在线时间: 145(小时)
注册时间: 2009-05-31
最后登录: 2026-04-19
查看wen_xianjun的 主题 / 回贴
43楼  发表于: 2010-07-06 11:58
8楼的图就可以实现,我早在二年前就用在工厂当中了.
liuchunsheng
级别: *
精华主题: * 篇
发帖数量: * 个
工控威望: * 点
下载积分: * 分
在线时间: (小时)
注册时间: *
最后登录: *
查看liuchunsheng的 主题 / 回贴
44楼  发表于: 2010-07-06 13:05
设计的很好,佩服,不过由于触点过多,出现故障的几率很高并不是很使用。
园家人控工
级别: 略有小成
精华主题: 0
发帖数量: 111 个
工控威望: 257 点
下载积分: 1588 分
在线时间: 75(小时)
注册时间: 2007-12-30
最后登录: 2021-03-13
查看园家人控工的 主题 / 回贴
45楼  发表于: 2010-07-07 19:32
真的奇怪了,这图我也接过,一般情况下停不了,除非第二次按的时候很快。说明:我用的6个一样的新的欧姆龙MY2的作3个MY4的。DC24V。几个老师傅当时就得出了一个不稳定的结论,我也没深究。有人说在用这个电路,我就搞不懂了。不知有没高人指点一二。
343572
心静 思远
级别: 略有小成
精华主题: 0
发帖数量: 76 个
工控威望: 226 点
下载积分: 939 分
在线时间: 55(小时)
注册时间: 2010-05-13
最后登录: 2024-07-24
查看343572的 主题 / 回贴
46楼  发表于: 2010-07-07 20:06
读技校的时候试过,确实可行。稳定可靠
园家人控工
级别: 略有小成
精华主题: 0
发帖数量: 111 个
工控威望: 257 点
下载积分: 1588 分
在线时间: 75(小时)
注册时间: 2007-12-30
最后登录: 2021-03-13
查看园家人控工的 主题 / 回贴
47楼  发表于: 2010-07-07 20:48
图片:
有兴趣试一下这图