用户登陆
免费注册
找回密码
站内短信
论坛搜索
道具中心
统计排行
勋章中心
工控下载
购买产品
用户名
密码
输入验证码:
细心
综合讨论
资料互助
程序样例
三菱工控
西门子区
欧姆龙区
触摸屏区
工控人家园
西门子工控论坛
【西门子S7-200】有问有答
上一主题
下一主题
«
73
74
75
76
77
78
»
Pages: 76/78 Go
601920185
级别: 略有小成
发送短信
加为好友
精华主题:
0
发帖数量:
119 个
工控威望:
238 点
下载积分:
1095 分
在线时间: 51(小时)
注册时间:
2011-05-16
最后登录:
2026-01-27
查看601920185的
主题
/
回贴
900楼
发表于: 2011-05-23 22:04
只看该作者
|
小
中
大
学PLC应该从那个点学起
分享
lqn921
级别: *
发送短信
加为好友
精华主题:
* 篇
发帖数量:
* 个
工控威望:
* 点
下载积分:
* 分
在线时间: (小时)
注册时间:
*
最后登录:
*
查看lqn921的
主题
/
回贴
901楼
发表于: 2011-05-25 10:03
只看该作者
|
小
中
大
12工位 车削中心动力刀架 手动换刀 自动换刀及对车铣刀具的动力驱动的PLC程序 用的是S7-200 实在编不出来 求帮忙 急!谢谢
QQ:541433565 在线等待 谢谢
CAD结构图及电气控制连接图我这都有
谢谢
分享
xcvzbff
级别: *
发送短信
加为好友
精华主题:
* 篇
发帖数量:
* 个
工控威望:
* 点
下载积分:
* 分
在线时间: (小时)
注册时间:
*
最后登录:
*
查看xcvzbff的
主题
/
回贴
902楼
发表于: 2011-05-26 15:05
只看该作者
|
小
中
大
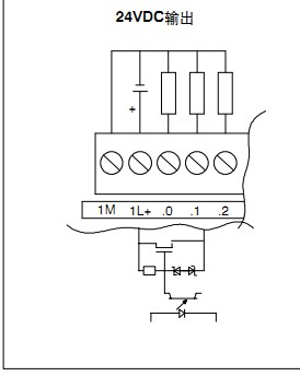
图片:
版主 s7-200 224晶体管输出, 手册上M接负、L接正。可以将接线反过来M接正、L接负么??
qq:278683072
[ 此帖被xcvzbff在2011-05-26 16:03重新编辑 ]
分享
lqrichier
级别: 探索解密
发送短信
加为好友
精华主题:
0
发帖数量:
6 个
工控威望:
104 点
下载积分:
781 分
在线时间: 0(小时)
注册时间:
2011-03-21
最后登录:
2018-08-26
查看lqrichier的
主题
/
回贴
903楼
发表于: 2011-05-28 12:02
只看该作者
|
小
中
大
有两台CPU224CN,现在一台作为主站,一台作为从站,系统改造,在主站的NTE向导中以前已经做过模拟量得映射,现在我想把从站中数字I/O点的数据做到让主站去读取,怎么做啊?附件中是以前向导内容,程序为这次改造需要添加的内容
附件:
新建 Microsoft Word 文档 (2).doc
(65 K) 下载次数:12
分享
lqrichier
级别: 探索解密
发送短信
加为好友
精华主题:
0
发帖数量:
6 个
工控威望:
104 点
下载积分:
781 分
在线时间: 0(小时)
注册时间:
2011-03-21
最后登录:
2018-08-26
查看lqrichier的
主题
/
回贴
904楼
发表于: 2011-05-28 12:04
只看该作者
|
小
中
大
刚忘记添加联系方式,QQ406025097
分享
{笑傲江湖}
不断进步,勇攀高峰!
级别: 略有小成
发送短信
加为好友
精华主题:
0
发帖数量:
117 个
工控威望:
281 点
下载积分:
953 分
在线时间: 52(小时)
注册时间:
2011-01-17
最后登录:
2015-06-17
查看{笑傲江湖}的
主题
/
回贴
905楼
发表于: 2011-05-30 15:45
只看该作者
|
小
中
大
请问有STP7的仿真插件吗?
分享
e_newboy
级别: 略有小成
发送短信
加为好友
精华主题:
0
发帖数量:
157 个
工控威望:
268 点
下载积分:
485 分
在线时间: 154(小时)
注册时间:
2009-04-20
最后登录:
2026-01-17
查看e_newboy的
主题
/
回贴
906楼
发表于: 2011-05-30 16:36
只看该作者
|
小
中
大
你好
我想问一下
CPU224 6ES7 214-2AD21-0XB0
CPU224 6ES7 214-2AD22-0XB0
CPU224 6ES7 214-2AD23-0XB0
这三个之间有什么区别?
本人长期兼职承接电气自动化项目:
1.熟悉各种品牌PLC程序设计,上位机组态编程,人机界面HMI编程,工业通讯网络,设备设施物联上云(IOT),数据采集,变频器、伺服电机、步进电机驱动等综合应用;
2.可承接各种PLC、触摸屏、上位机代写服务,系统集成、节能改造等项目,CAD出图。
3.服务周到、价格实惠,期待与你的合作,联系电话/微信:15875502770
分享
{笑傲江湖}
不断进步,勇攀高峰!
级别: 略有小成
发送短信
加为好友
精华主题:
0
发帖数量:
117 个
工控威望:
281 点
下载积分:
953 分
在线时间: 52(小时)
注册时间:
2011-01-17
最后登录:
2015-06-17
查看{笑傲江湖}的
主题
/
回贴
907楼
发表于: 2011-05-31 09:29
只看该作者
|
小
中
大
S7-200有定位指令吗?怎么用的啊?
分享
华文1234
级别: 探索解密
发送短信
加为好友
精华主题:
0
发帖数量:
13 个
工控威望:
100 点
下载积分:
787 分
在线时间: 11(小时)
注册时间:
2010-01-23
最后登录:
2019-06-28
查看华文1234的
主题
/
回贴
908楼
发表于: 2011-05-31 14:59
只看该作者
|
小
中
大
楼主厉害,学习
分享
ddk1984
级别: 探索解密
发送短信
加为好友
精华主题:
0
发帖数量:
41 个
工控威望:
125 点
下载积分:
749 分
在线时间: 23(小时)
注册时间:
2009-11-08
最后登录:
2022-06-18
查看ddk1984的
主题
/
回贴
909楼
发表于: 2011-06-03 11:35
只看该作者
|
小
中
大
版主辛苦了!请教个问题!用200的pid温度控制的时候(用向导做),给定值上限下限与过程变量 和占空是怎么回事,能给讲解下吗?
分享
abcddiao
级别: 探索解密
发送短信
加为好友
精华主题:
0
发帖数量:
15 个
工控威望:
122 点
下载积分:
1031 分
在线时间: 12(小时)
注册时间:
2011-05-25
最后登录:
2023-07-14
查看abcddiao的
主题
/
回贴
910楼
发表于: 2011-06-04 18:30
只看该作者
|
小
中
大
大公无私啊。
分享
xuweizong12
级别: *
发送短信
加为好友
精华主题:
* 篇
发帖数量:
* 个
工控威望:
* 点
下载积分:
* 分
在线时间: (小时)
注册时间:
*
最后登录:
*
查看xuweizong12的
主题
/
回贴
911楼
发表于: 2011-06-06 09:29
只看该作者
|
小
中
大
图片:
你好,我想请问下:我现在要用s7-200来实现一个钻机绞车或者转盘的控制,在绞车启动前要绞车风机正常启动,请问这个动作怎么用程序实现? 急用!!! 我在下面给你贴上流程图
我的联系方式,qq 472926155
分享
上一主题
下一主题
«
73
74
75
76
77
78
»
Pages: 76/78 Go
工控人家园
西门子工控论坛
【西门子S7-200】有问有答
http://www.ymmfa.com
访问内容超出本站范围,不能确定是否安全
继续访问
取消访问