• «
  • 1
  • 2
  • »
  • Pages: 1/2     Go
风再起时
级别: 家园常客
精华主题: 0
发帖数量: 150 个
工控威望: 798 点
下载积分: 1200 分
在线时间: 82(小时)
注册时间: 2022-01-18
最后登录: 2026-02-22
查看风再起时的 主题 / 回贴
楼主  发表于: 2023-07-03 15:37
图片:
图片:
图片:
图片:
1、流程描述:传送带侧面装有感应器,感应到虾来伺服电机快速启动控制刀轴下降切割虾(伺服轴头装有凸轮(偏心轮),转角度控制切割深浅)。虾是按如下分类分批次放料的(如:此批次放尾不切、头和中间都切的一批,送料时,规定虾尾朝前、虾头朝后,一只一只虾的放料,2只虾之间间隔时间大约400ms-500ms),切完一只复位最高位(原点)等待切下一只虾。可根据虾的长短大小控制切割时间和深浅。

2、切割分类:1)、尾不切、头和中间都切。 (功能实现后再分细类)
                        2)、尾不切、头不切、中间切(功能实现后再分细类)
                        3)、头不 切、尾和中间切。   ( 功能实现后再分细类)

3、按目前常规虾预计切割整条虾共需用时约100ms:虾头-----用时约20ms   ;虾身(中间)-------用时约70ms ;虾尾-------用时约10ms(不知响应速度是否能达到 ?)

4、工控件: 1、PLC----西门子200smart  ST30  
                     2、触摸屏------威纶通TK8071IP
                     3、固态直流控直流继电器(响应1ms)
                     4、伺服j电机用普通交流220V输入  3000r/min

要求在触摸屏上按切割分类分别设置操作(包括时间控制)

是否可实现此功能?求大师指导,谢谢哦。





风再起时
级别: 家园常客
精华主题: 0
发帖数量: 150 个
工控威望: 798 点
下载积分: 1200 分
在线时间: 82(小时)
注册时间: 2022-01-18
最后登录: 2026-02-22
查看风再起时的 主题 / 回贴
1楼  发表于: 2023-07-04 08:39
图片:
图片:
图片:
图片:
图片:
图片:
图片:
图片:
图片:
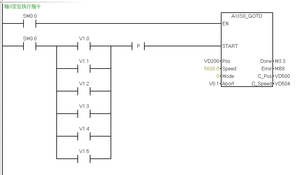
有路过的大神麻烦指导一下,现在已做好伺服运动向导程序:
风再起时
级别: 家园常客
精华主题: 0
发帖数量: 150 个
工控威望: 798 点
下载积分: 1200 分
在线时间: 82(小时)
注册时间: 2022-01-18
最后登录: 2026-02-22
查看风再起时的 主题 / 回贴
2楼  发表于: 2023-07-04 14:33
引用
引用第3楼ljb6688于2023-07-04 14:19发表的  :
西门子的位控,呵呵

是啊,位置控制,路过的大神可否指点一二?
风再起时
级别: 家园常客
精华主题: 0
发帖数量: 150 个
工控威望: 798 点
下载积分: 1200 分
在线时间: 82(小时)
注册时间: 2022-01-18
最后登录: 2026-02-22
查看风再起时的 主题 / 回贴
3楼  发表于: 2023-07-04 15:15
引用
引用第5楼菜鸟学工控_1于2023-07-04 15:00发表的  :
第3条节拍估计够呛,这么快,估计PLC和伺服可能都响应不了

时间是很短,摸索评估下。。。
风再起时
级别: 家园常客
精华主题: 0
发帖数量: 150 个
工控威望: 798 点
下载积分: 1200 分
在线时间: 82(小时)
注册时间: 2022-01-18
最后登录: 2026-02-22
查看风再起时的 主题 / 回贴
4楼  发表于: 2023-07-05 11:45
自己帮顶一下,看看有没好心大神路过
风再起时
级别: 家园常客
精华主题: 0
发帖数量: 150 个
工控威望: 798 点
下载积分: 1200 分
在线时间: 82(小时)
注册时间: 2022-01-18
最后登录: 2026-02-22
查看风再起时的 主题 / 回贴
5楼  发表于: 2023-07-05 16:37
引用
引用第11楼二手工控电器于2023-07-05 13:23发表的  :
如果只是这些功能,除了时间响应有点高之外,其它的应该没啥问题.假如硬件可以由我自己选择的话,伺服我选择台达,屏用MCGS,PLC到时无所谓.

请教大师伺服选台达的、屏用MCGS的亮点是什么啊?
风再起时
级别: 家园常客
精华主题: 0
发帖数量: 150 个
工控威望: 798 点
下载积分: 1200 分
在线时间: 82(小时)
注册时间: 2022-01-18
最后登录: 2026-02-22
查看风再起时的 主题 / 回贴
6楼  发表于: 2023-07-06 08:55
引用
引用第15楼二手工控电器于2023-07-06 08:05发表的  :



价格便宜是真,加密只能防君子,小人是防不住.

大师,现在编程思路还不成熟,如何在感应后自动下降到设定角度(切割深度)?如何自动回原点?如何分类设定控制?这些都不太明白啊,可否赐教?谢谢哦。
风再起时
级别: 家园常客
精华主题: 0
发帖数量: 150 个
工控威望: 798 点
下载积分: 1200 分
在线时间: 82(小时)
注册时间: 2022-01-18
最后登录: 2026-02-22
查看风再起时的 主题 / 回贴
7楼  发表于: 2023-07-06 10:17
引用
引用第17楼菜鸟学工控_1于2023-07-06 09:18发表的  :
这个项目难度太大了,楼主有没有想过,除了你想到的这些问题,就算你用称重方式分出不同种类的虾,在切割的时候,虾如何固定,刀轮能准确的切到你想要的位置等种种问题,没有机械大牛帮你搞定结构,想都不要想     

您好朋友,虾分批次的(如这批5000只都切尾和中不切头),同批次里面虾的大小长短偏差不大,,机械结构已定型,由输送带定向固定送到刀盘处切割,这个没问题的,可排除,谢谢。
风再起时
级别: 家园常客
精华主题: 0
发帖数量: 150 个
工控威望: 798 点
下载积分: 1200 分
在线时间: 82(小时)
注册时间: 2022-01-18
最后登录: 2026-02-22
查看风再起时的 主题 / 回贴
8楼  发表于: 2023-07-06 14:13
引用
引用第19楼二手工控电器于2023-07-06 11:43发表的  :
如果是初学入门这个还是有难度,毕竟理论和实际、经验多需要相结合!祝你成功!

好的,谢谢。
风再起时
级别: 家园常客
精华主题: 0
发帖数量: 150 个
工控威望: 798 点
下载积分: 1200 分
在线时间: 82(小时)
注册时间: 2022-01-18
最后登录: 2026-02-22
查看风再起时的 主题 / 回贴
9楼  发表于: 2023-07-08 14:45
还是抱有一点希望,不想让贴子沉下去。。。。。
风再起时
级别: 家园常客
精华主题: 0
发帖数量: 150 个
工控威望: 798 点
下载积分: 1200 分
在线时间: 82(小时)
注册时间: 2022-01-18
最后登录: 2026-02-22
查看风再起时的 主题 / 回贴
10楼  发表于: 2023-07-08 16:50
引用
引用第22楼工控小c于2023-07-08 16:12发表的  :
你先自己试了有什么问题再来请教大家,总不能要别人直接给你一个成熟的方案吧。

好 的
风再起时
级别: 家园常客
精华主题: 0
发帖数量: 150 个
工控威望: 798 点
下载积分: 1200 分
在线时间: 82(小时)
注册时间: 2022-01-18
最后登录: 2026-02-22
查看风再起时的 主题 / 回贴
11楼  发表于: 2023-07-22 15:40
图片:
图片:
图片:
图片:
图片:
图片:
图片:
图片:
图片:
图片:
各们大师,伺服控制轴摆角度问题(3个角度),测试程序有动作,但转动角度很小(不按设定角度转),而且不是同一个方向转的(一正二反),请问什么原因啊?
  • «
  • 1
  • 2
  • »
  • Pages: 1/2     Go