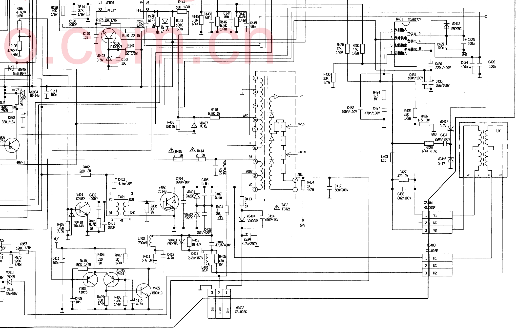
行输出部分图,点击可放大。
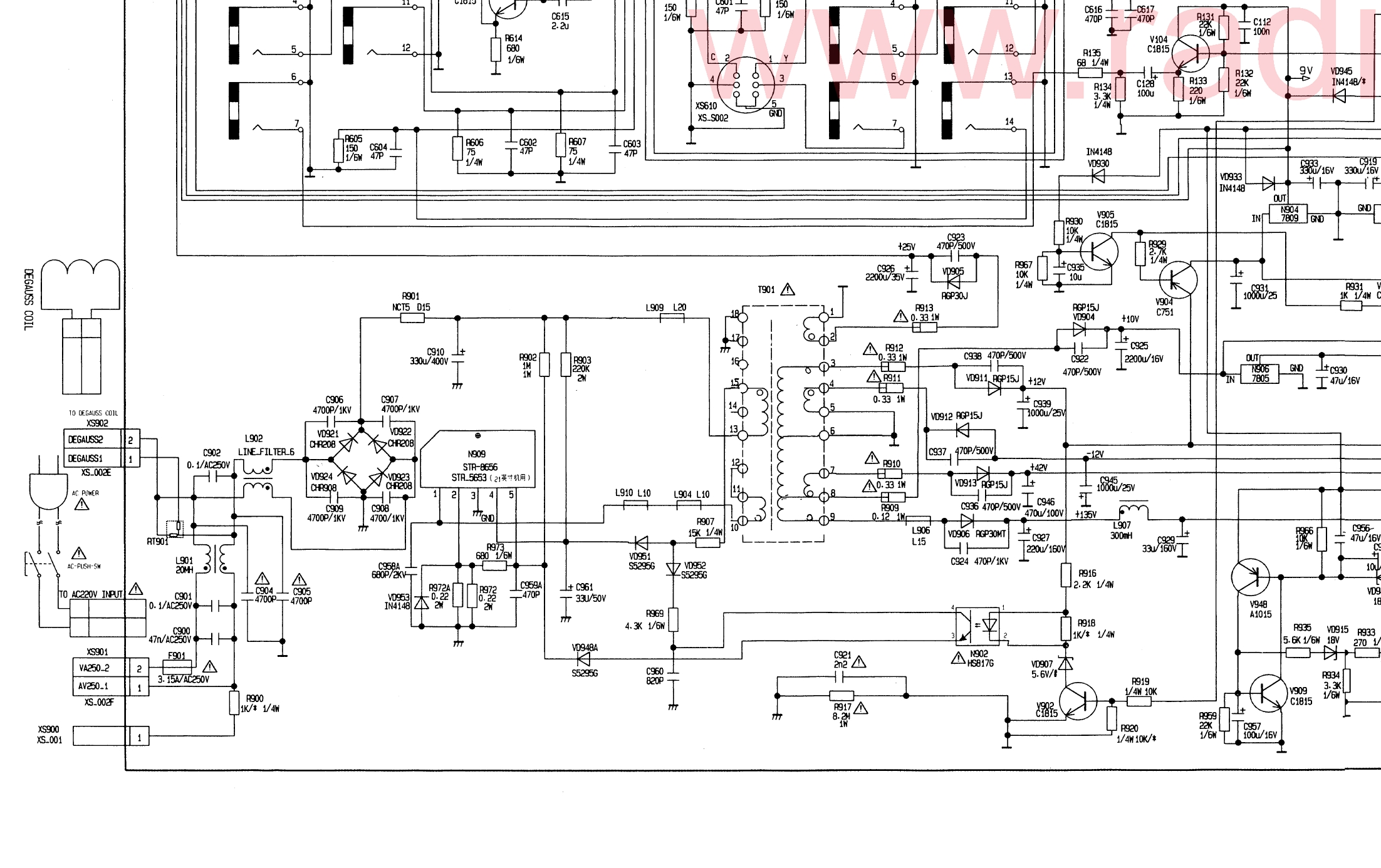
电源部分图,点击可放大。

引用
引用第14楼meipingboy于2013-06-17 21:09发表的 :
烧行管 最好用原型号行管测试,有可能代用管子有问题。
VCT 3801A 发烫,可能损坏,换一块试试也可以。也有可能是楼上所说行频底引起烧行管也有可能,一般行频底烧行管,行管会烫的。
还有可能是是逆程电容质量不好,我碰到过无规律烧行管。
另外,行电压143V有点偏高(场电源+12V和 -12V 也偏高2V左右),最好调到135V,
.......
再次感谢!
昨天没有修,因为去购材料了,我现在将VCT 3801A 更换了,再将原来的行管V402(图中C5148)进行更换为D2901(不知这个管子是否可替换?),现在VCT 3801A 开机后不烫了,证实它确实已经损坏,但依然是三无。测行管V402 D2901 b、e直流电压为0V(不知是否正常?),c为143V。
在指示灯为黄色的状态下,可以看到显像管管口处的灯丝亮了,但三无。此时测电容C910两端有285V电压,C927两端直流电压正为141V, 再测VCT 3801A 的各脚电压正常:3、7、15脚:5V,25脚3.3V,54:3.3V,58:4.8V,59:3.1V ,60:3.5V,61:4.9V。
同时测量T901变压器各脚直流电压(黑表笔接1脚,红表笔依次接各脚):2-8脚为0V,9脚为2.5V,10:147V,11,12:145V,13:143V,15-18脚:-137V。
测量高压包T402各脚直流电压:1,2,3:134V,4,5,6,8,9,10:0V,7:3V。
电源厚膜块N909 STR8656 各脚直流电压(黑表笔接3脚,红表笔依次接各脚,括号内为正常参考值):1:280V(305V),2:0.05V(0.02V),4:31V(32V),5:2.33V(2.4V)。
请问各位师傅,这是正常的吗?该如何着手查找呢?
[ 此帖被kv47sn在2013-06-19 21:33重新编辑 ]