用户登陆
免费注册
找回密码
站内短信
论坛搜索
道具中心
统计排行
勋章中心
工控下载
购买产品
用户名
密码
输入验证码:
细心
综合讨论
资料互助
程序样例
三菱工控
西门子区
欧姆龙区
触摸屏区
工控人家园
西门子工控论坛
一个菜鸟才会有的梯形图程序问题
上一主题
下一主题
«
1
2
»
Pages: 1/2 Go
余香深深
级别: 探索解密
发送短信
加为好友
精华主题:
0
发帖数量:
27 个
工控威望:
147 点
下载积分:
3515 分
在线时间: 31(小时)
注册时间:
2013-04-19
最后登录:
2013-06-19
查看余香深深的
主题
/
回贴
楼主
发表于: 2013-04-21 10:25
全看
|
小
中
大
请问这个梯形图程序是什么意思啊
为什么第二行和第三行输出一样呢?这是什么功能?
看完这个麻烦再看一下24楼,谢谢。
[ 此帖被余香深深在2013-04-24 08:56重新编辑 ]
分享
余香深深
级别: 探索解密
发送短信
加为好友
精华主题:
0
发帖数量:
27 个
工控威望:
147 点
下载积分:
3515 分
在线时间: 31(小时)
注册时间:
2013-04-19
最后登录:
2013-06-19
查看余香深深的
主题
/
回贴
1楼
发表于: 2013-04-21 11:20
全看
|
小
中
大
这个......我查了上下文都没有诶,那个取反会不会有延时啊
分享
余香深深
级别: 探索解密
发送短信
加为好友
精华主题:
0
发帖数量:
27 个
工控威望:
147 点
下载积分:
3515 分
在线时间: 31(小时)
注册时间:
2013-04-19
最后登录:
2013-06-19
查看余香深深的
主题
/
回贴
2楼
发表于: 2013-04-22 08:38
全看
|
小
中
大
咦?那照这个说法不是在M1.4 ON的时候M12.2 先ON 再OFF产生一个脉冲吗?
我有点晕
分享
余香深深
级别: 探索解密
发送短信
加为好友
精华主题:
0
发帖数量:
27 个
工控威望:
147 点
下载积分:
3515 分
在线时间: 31(小时)
注册时间:
2013-04-19
最后登录:
2013-06-19
查看余香深深的
主题
/
回贴
3楼
发表于: 2013-04-22 08:52
全看
|
小
中
大
哦,这样啊,谢谢您
分享
余香深深
级别: 探索解密
发送短信
加为好友
精华主题:
0
发帖数量:
27 个
工控威望:
147 点
下载积分:
3515 分
在线时间: 31(小时)
注册时间:
2013-04-19
最后登录:
2013-06-19
查看余香深深的
主题
/
回贴
4楼
发表于: 2013-04-22 08:55
全看
|
小
中
大
还有一个问题啊
这个是什么意思啊
分享
余香深深
级别: 探索解密
发送短信
加为好友
精华主题:
0
发帖数量:
27 个
工控威望:
147 点
下载积分:
3515 分
在线时间: 31(小时)
注册时间:
2013-04-19
最后登录:
2013-06-19
查看余香深深的
主题
/
回贴
5楼
发表于: 2013-04-22 09:03
全看
|
小
中
大
没有给定编号会不会运行到那就不运行了啊?
分享
余香深深
级别: 探索解密
发送短信
加为好友
精华主题:
0
发帖数量:
27 个
工控威望:
147 点
下载积分:
3515 分
在线时间: 31(小时)
注册时间:
2013-04-19
最后登录:
2013-06-19
查看余香深深的
主题
/
回贴
6楼
发表于: 2013-04-22 09:08
全看
|
小
中
大
哦,这样啊,谢谢
分享
余香深深
级别: 探索解密
发送短信
加为好友
精华主题:
0
发帖数量:
27 个
工控威望:
147 点
下载积分:
3515 分
在线时间: 31(小时)
注册时间:
2013-04-19
最后登录:
2013-06-19
查看余香深深的
主题
/
回贴
7楼
发表于: 2013-04-22 16:38
全看
|
小
中
大
咦?到底哪个对啊?
分享
余香深深
级别: 探索解密
发送短信
加为好友
精华主题:
0
发帖数量:
27 个
工控威望:
147 点
下载积分:
3515 分
在线时间: 31(小时)
注册时间:
2013-04-19
最后登录:
2013-06-19
查看余香深深的
主题
/
回贴
8楼
发表于: 2013-04-22 16:51
全看
|
小
中
大
恩,是的,那到底是第三行起作用还是二、三两行都起作用啊?这个回答的不一致啊。
分享
余香深深
级别: 探索解密
发送短信
加为好友
精华主题:
0
发帖数量:
27 个
工控威望:
147 点
下载积分:
3515 分
在线时间: 31(小时)
注册时间:
2013-04-19
最后登录:
2013-06-19
查看余香深深的
主题
/
回贴
9楼
发表于: 2013-04-22 17:00
全看
|
小
中
大
但是三楼说的也有道理啊
还有,麻烦不要叫我兄弟了,妹子我心理承受能力差,伤不起啊
分享
余香深深
级别: 探索解密
发送短信
加为好友
精华主题:
0
发帖数量:
27 个
工控威望:
147 点
下载积分:
3515 分
在线时间: 31(小时)
注册时间:
2013-04-19
最后登录:
2013-06-19
查看余香深深的
主题
/
回贴
10楼
发表于: 2013-04-23 09:09
全看
|
小
中
大
哦。怪不得给我程序的人说他这个一带动电机就停不下来。这是双线圈错误的影响吗?
分享
余香深深
级别: 探索解密
发送短信
加为好友
精华主题:
0
发帖数量:
27 个
工控威望:
147 点
下载积分:
3515 分
在线时间: 31(小时)
注册时间:
2013-04-19
最后登录:
2013-06-19
查看余香深深的
主题
/
回贴
11楼
发表于: 2013-04-23 09:21
全看
|
小
中
大
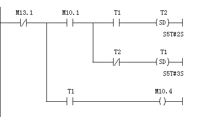
还有一个问题呐,这个程序是什么意思啊,有好多定时器
它是不是一个典型应用啊,因为下面还有一个类似的程序
[ 此帖被余香深深在2013-04-24 09:21重新编辑 ]
分享
上一主题
下一主题
«
1
2
»
Pages: 1/2 Go
工控人家园
西门子工控论坛
一个菜鸟才会有的梯形图程序问题
http://www.ymmfa.com
访问内容超出本站范围,不能确定是否安全
继续访问
取消访问