用户登陆
免费注册
找回密码
站内短信
论坛搜索
道具中心
统计排行
勋章中心
工控下载
购买产品
用户名
密码
输入验证码:
科学
综合讨论
资料互助
程序样例
三菱工控
西门子区
欧姆龙区
触摸屏区
工控人家园
综合讨论
求助时间继电器延时正反转问题
上一主题
下一主题
«
1
2
3
4
»
Pages: 2/4 Go
apper
级别: 论坛先锋
发送短信
加为好友
QQ联系
精华主题:
0
发帖数量:
52 个
工控威望:
1451 点
下载积分:
1684 分
在线时间: 22(小时)
注册时间:
2011-06-13
最后登录:
2018-10-13
查看apper的
主题
/
回贴
12楼
发表于: 2012-08-23 09:58
只看该作者
|
小
中
大
对,加一刹车最简单的。
分享
wwcwwc
级别: VIP会员
发送短信
加为好友
QQ联系
精华主题:
0
发帖数量:
3353 个
工控威望:
3204 点
下载积分:
70968 分
在线时间: 1611(小时)
注册时间:
2008-04-20
最后登录:
2026-05-08
查看wwcwwc的
主题
/
回贴
13楼
发表于: 2012-08-23 10:37
只看该作者
|
小
中
大
加刹车固然可以,但是给安装带来麻烦。我的理解,将原交流接触器的线圈回路该为定时器线圈,最用定时器触点拨接接触器线圈,调整好适当的延时时间。
分享
wanglong
级别: 略有小成
发送短信
加为好友
QQ联系
精华主题:
0
发帖数量:
292 个
工控威望:
414 点
下载积分:
1720 分
在线时间: 407(小时)
注册时间:
2008-04-20
最后登录:
2026-03-25
查看wanglong的
主题
/
回贴
14楼
发表于: 2012-08-23 11:01
只看该作者
|
小
中
大
加刹车好了
分享
luyan9898
级别: 探索解密
发送短信
加为好友
精华主题:
0
发帖数量:
9 个
工控威望:
119 点
下载积分:
769 分
在线时间: 2(小时)
注册时间:
2012-08-22
最后登录:
2023-12-28
查看luyan9898的
主题
/
回贴
15楼
发表于: 2012-08-23 12:38
只看该作者
|
小
中
大
不是有刹车这东东么?
分享
tanqinglei
级别: 略有小成
发送短信
加为好友
精华主题:
0
发帖数量:
128 个
工控威望:
277 点
下载积分:
1130 分
在线时间: 50(小时)
注册时间:
2012-06-10
最后登录:
2017-07-29
查看tanqinglei的
主题
/
回贴
16楼
发表于: 2012-08-23 21:51
只看该作者
|
小
中
大
15楼老师发的图能实现吗,我看着怎么实现不了啊老师
小磊
分享
linxianqiang
级别: 家园常客
发送短信
加为好友
精华主题:
0
发帖数量:
110 个
工控威望:
843 点
下载积分:
3658 分
在线时间: 97(小时)
注册时间:
2012-05-14
最后登录:
2023-05-15
查看linxianqiang的
主题
/
回贴
17楼
发表于: 2012-08-23 22:08
只看该作者
|
小
中
大
改用变频吧,电磁调速现在已经很少很少人用了
分享
tanqinglei
级别: 略有小成
发送短信
加为好友
精华主题:
0
发帖数量:
128 个
工控威望:
277 点
下载积分:
1130 分
在线时间: 50(小时)
注册时间:
2012-06-10
最后登录:
2017-07-29
查看tanqinglei的
主题
/
回贴
18楼
发表于: 2012-08-24 22:39
只看该作者
|
小
中
大
请问老师用一个时间继电器能实现延时正反转吗
小磊
分享
zsh340
zsh340
级别: 论坛先锋
发送短信
加为好友
精华主题:
0
发帖数量:
1097 个
工控威望:
1287 点
下载积分:
18780 分
在线时间: 315(小时)
注册时间:
2009-05-29
最后登录:
2026-05-07
查看zsh340的
主题
/
回贴
19楼
发表于: 2012-08-24 22:44
只看该作者
|
小
中
大
这个不难,如果稍微懂点电力拖动的电工能轻松搞定。
相互交流。。。。相互学习。。。。使技术更上一层楼。。。。
分享
123888
级别: 探索解密
发送短信
加为好友
精华主题:
0
发帖数量:
18 个
工控威望:
191 点
下载积分:
758 分
在线时间: 38(小时)
注册时间:
2008-05-26
最后登录:
2025-09-15
查看123888的
主题
/
回贴
20楼
发表于: 2012-08-25 16:22
只看该作者
|
小
中
大
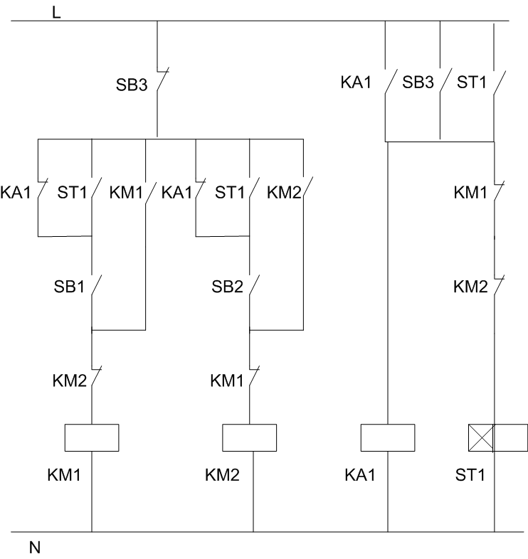
用一个时间继电器可以实现正反转延时开机,但要加个中间继电器,中继的作用是初次开机不用延时。停止按钮用一开一闭的,开路启动时间继电器,时间到了正反转按钮启动才有效,用正反转接触器辅助触点断开时间继电器线圈
分享
tanqinglei
级别: 略有小成
发送短信
加为好友
精华主题:
0
发帖数量:
128 个
工控威望:
277 点
下载积分:
1130 分
在线时间: 50(小时)
注册时间:
2012-06-10
最后登录:
2017-07-29
查看tanqinglei的
主题
/
回贴
21楼
发表于: 2012-08-25 23:10
只看该作者
|
小
中
大
能给个图吗老师
小磊
分享
panlq168
级别: 探索解密
发送短信
加为好友
QQ联系
精华主题:
0
发帖数量:
7 个
工控威望:
116 点
下载积分:
772 分
在线时间: 1(小时)
注册时间:
2012-08-22
最后登录:
2012-08-26
查看panlq168的
主题
/
回贴
22楼
发表于: 2012-08-26 03:23
只看该作者
|
小
中
大
市场上有一种正反转控制器,可以设定转换时间是多久,比如正转运行10秒停0.5秒再反转8秒如此反复循环,不知能否实线你的控制要求
悟无言
分享
123888
级别: 探索解密
发送短信
加为好友
精华主题:
0
发帖数量:
18 个
工控威望:
191 点
下载积分:
758 分
在线时间: 38(小时)
注册时间:
2008-05-26
最后登录:
2025-09-15
查看123888的
主题
/
回贴
23楼
发表于: 2012-08-26 09:34
只看该作者
|
小
中
大
图片:
看看这个图
[ 此帖被123888在2012-08-26 09:40重新编辑 ]
分享
上一主题
下一主题
«
1
2
3
4
»
Pages: 2/4 Go
工控人家园
综合讨论
求助时间继电器延时正反转问题
http://www.ymmfa.com
访问内容超出本站范围,不能确定是否安全
继续访问
取消访问