用户登陆
免费注册
找回密码
站内短信
论坛搜索
道具中心
统计排行
勋章中心
工控下载
购买产品
用户名
密码
输入验证码:
智能
综合讨论
资料互助
程序样例
三菱工控
西门子区
欧姆龙区
触摸屏区
工控人家园
三菱工控论坛
一家自动化公司的面试题!附梯形图!
上一主题
下一主题
«
1
2
3
4
5
6
»
Pages: 2/7 Go
nimuling
专业制造电线电缆,拉丝,退火设备
级别: 略有小成
发送短信
加为好友
精华主题:
0
发帖数量:
229 个
工控威望:
377 点
下载积分:
8088 分
在线时间: 46(小时)
注册时间:
2009-09-29
最后登录:
2014-06-09
查看nimuling的
主题
/
回贴
12楼
发表于: 2012-04-18 17:43
只看该作者
|
小
中
大
自动化公司考这个问题我认为很正常。
分享
阪神
级别: 略有小成
发送短信
加为好友
精华主题:
0
发帖数量:
309 个
工控威望:
437 点
下载积分:
1791 分
在线时间: 165(小时)
注册时间:
2010-04-01
最后登录:
2023-03-27
查看阪神的
主题
/
回贴
13楼
发表于: 2012-04-18 18:42
只看该作者
|
小
中
大
这是最基本的要会的编程啊
分享
liangcaiam
级别: 探索解密
发送短信
加为好友
精华主题:
0
发帖数量:
44 个
工控威望:
162 点
下载积分:
685 分
在线时间: 71(小时)
注册时间:
2011-08-23
最后登录:
2021-01-26
查看liangcaiam的
主题
/
回贴
14楼
发表于: 2012-04-18 20:06
只看该作者
|
小
中
大
出题的水平也不怎么样!
分享
kissko
要学习就要各位师傅手下多指教
级别: 网络英雄
发送短信
加为好友
QQ联系
精华主题:
0
发帖数量:
182 个
工控威望:
5091 点
下载积分:
12367 分
在线时间: 77(小时)
注册时间:
2010-06-09
最后登录:
2025-12-02
查看kissko的
主题
/
回贴
15楼
发表于: 2012-04-19 10:54
只看该作者
|
小
中
大
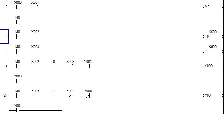
图片:
你看这个可以吧,送你一份,
本帖最近评分记录:
下载积分:+1(盗版猫) 朋友,你这个程序好像有 ..
南科自动化设备维修中心
18666449248
分享
工控331101
级别: 探索解密
发送短信
加为好友
QQ联系
阿里旺旺
精华主题:
0
发帖数量:
8 个
工控威望:
125 点
下载积分:
747 分
在线时间: 35(小时)
注册时间:
2012-01-05
最后登录:
2015-05-18
查看工控331101的
主题
/
回贴
16楼
发表于: 2012-04-19 14:03
只看该作者
|
小
中
大
菜鸟路过学习!
崧隆机电
分享
ccyang0124
你牛,我就向你学习了。
级别: 家园常客
发送短信
加为好友
精华主题:
0
发帖数量:
358 个
工控威望:
500 点
下载积分:
4586 分
在线时间: 123(小时)
注册时间:
2012-03-28
最后登录:
2025-09-12
查看ccyang0124的
主题
/
回贴
17楼
发表于: 2012-04-21 03:14
只看该作者
|
小
中
大
你完成了吗
分享
double_z
无知最可怕
级别: 工控侠客
发送短信
加为好友
精华主题:
0
发帖数量:
82 个
工控威望:
2841 点
下载积分:
761 分
在线时间: 86(小时)
注册时间:
2011-11-16
最后登录:
2025-12-07
查看double_z的
主题
/
回贴
18楼
发表于: 2012-04-21 16:44
只看该作者
|
小
中
大
不用变频器么?不要低估出题人的智商。。。
分享
青出于蓝
级别: 探索解密
发送短信
加为好友
精华主题:
0
发帖数量:
43 个
工控威望:
165 点
下载积分:
2960 分
在线时间: 43(小时)
注册时间:
2011-10-27
最后登录:
2019-11-05
查看青出于蓝的
主题
/
回贴
19楼
发表于: 2012-04-21 21:19
只看该作者
|
小
中
大
这个例子好像三菱那个学习软件里面有这个
分享
qfgkr
级别: 略有小成
发送短信
加为好友
精华主题:
0
发帖数量:
192 个
工控威望:
320 点
下载积分:
2206 分
在线时间: 144(小时)
注册时间:
2011-08-15
最后登录:
2025-10-15
查看qfgkr的
主题
/
回贴
20楼
发表于: 2012-04-22 11:35
只看该作者
|
小
中
大
可以不用变频器!
两个MY-2N-D2 DC24V继电器,一个电容, 一个单项马达(最好带刹车)就可以实现正反转控制!
用电容和继电器控制低速单相电机正反转是很常用的方法!
变频器一般除了控制正反转,多用来控制速度多段速的!
分享
luyanlong
级别: 略有小成
发送短信
加为好友
精华主题:
0
发帖数量:
89 个
工控威望:
223 点
下载积分:
2271 分
在线时间: 18(小时)
注册时间:
2011-11-03
最后登录:
2012-07-29
查看luyanlong的
主题
/
回贴
21楼
发表于: 2012-04-22 21:18
只看该作者
|
小
中
大
这个不算难
分享
kf123
没有最好,只有更好。
级别: 论坛先锋
发送短信
加为好友
精华主题:
0
发帖数量:
588 个
工控威望:
1560 点
下载积分:
3562 分
在线时间: 186(小时)
注册时间:
2011-06-07
最后登录:
2026-02-03
查看kf123的
主题
/
回贴
22楼
发表于: 2012-04-22 22:45
只看该作者
|
小
中
大
下文怎么样了
春有百花秋有月,夏有凉风冬有雪。若无闲事挂心头,便是人间好时节
分享
leis138
级别: 探索解密
发送短信
加为好友
精华主题:
0
发帖数量:
19 个
工控威望:
123 点
下载积分:
508 分
在线时间: 29(小时)
注册时间:
2011-03-31
最后登录:
2024-08-05
查看leis138的
主题
/
回贴
23楼
发表于: 2012-04-22 23:20
只看该作者
|
小
中
大
比较简单吧
分享
上一主题
下一主题
«
1
2
3
4
5
6
»
Pages: 2/7 Go
工控人家园
三菱工控论坛
一家自动化公司的面试题!附梯形图!
http://www.ymmfa.com
访问内容超出本站范围,不能确定是否安全
继续访问
取消访问