奋斗人生
级别: 家园常客
精华主题: 0
发帖数量: 580 个
工控威望: 750 点
下载积分: 11047 分
在线时间: 69(小时)
注册时间: 2011-09-05
最后登录: 2026-02-04
查看奋斗人生的 主题 / 回贴
12楼  发表于: 2012-04-11 22:46
工业巨子
2004年日本早稻田大学毕业,2010荣获“丰田终身成就奖”
级别: 略有小成
精华主题: 0
发帖数量: 157 个
工控威望: 362 点
下载积分: 1883 分
在线时间: 75(小时)
注册时间: 2008-12-29
最后登录: 2017-03-22
查看工业巨子的 主题 / 回贴
13楼  发表于: 2012-04-11 23:17
图片:
图片:
这是我写的程序。我一直想优化下,越简单越好。
看图:
2004年日本早稻田大学毕业,2010荣获“丰田终身成就奖”,2011年入选“名人堂”(HALL OF FAME)
工业巨子
2004年日本早稻田大学毕业,2010荣获“丰田终身成就奖”
级别: 略有小成
精华主题: 0
发帖数量: 157 个
工控威望: 362 点
下载积分: 1883 分
在线时间: 75(小时)
注册时间: 2008-12-29
最后登录: 2017-03-22
查看工业巨子的 主题 / 回贴
14楼  发表于: 2012-04-11 23:19
引用
引用第5楼znz43于2012-04-11 19:10发表的  :
那2段互相独立的程序,必须执行完其中一段程序后再进入等待下一次X0与X1看谁先按,再决定进那一段程序,是这样理解吗?
58步,也达到了要求。

能不能把你58步的程序贴出来,让大家学习下?
2004年日本早稻田大学毕业,2010荣获“丰田终身成就奖”,2011年入选“名人堂”(HALL OF FAME)
znz43
工控职业已成回忆 只因爱好常回家园 乐此不疲
级别: 工控侠客

精华主题: 0
发帖数量: 1051 个
工控威望: 4912 点
下载积分: 7564 分
在线时间: 2586(小时)
注册时间: 2010-06-24
最后登录: 2026-05-27
查看znz43的 主题 / 回贴
15楼  发表于: 2012-04-12 09:21
图片:
图片:
58步程序,还防止先按X0(X1)后,在按X0(X1)未到次数前,误按X1(X0)的意外,增加了两个联锁。
出门打工难,打工学艺难,学艺拜师难,找到好师傅更难。
赠人玫瑰,手留余香。舍得舍得,有舍才有得。
zsh340
zsh340
级别: 论坛先锋
精华主题: 0
发帖数量: 1099 个
工控威望: 1289 点
下载积分: 18784 分
在线时间: 317(小时)
注册时间: 2009-05-29
最后登录: 2026-05-27
查看zsh340的 主题 / 回贴
16楼  发表于: 2012-04-12 09:28
都是高手、、、高高手。学习了
相互交流。。。。相互学习。。。。使技术更上一层楼。。。。
祥林嫂
做工控人,不停地学习,不停地分享、交流。
级别: 网络英雄
精华主题: 0
发帖数量: 774 个
工控威望: 6785 点
下载积分: 5738 分
在线时间: 290(小时)
注册时间: 2012-02-13
最后登录: 2019-03-28
查看祥林嫂的 主题 / 回贴
17楼  发表于: 2012-04-12 09:43
昨天本来看见这个想试试呢~结果昨天调设备~一直在纠结没做
先进来学习下 大家的思路与方法
琴岛工控
级别: 工控侠客
精华主题: 0
发帖数量: 414 个
工控威望: 2652 点
下载积分: 9225 分
在线时间: 381(小时)
注册时间: 2011-11-03
最后登录: 2025-12-06
查看琴岛工控的 主题 / 回贴
18楼  发表于: 2012-04-12 16:52
,路过学习了
工业巨子
2004年日本早稻田大学毕业,2010荣获“丰田终身成就奖”
级别: 略有小成
精华主题: 0
发帖数量: 157 个
工控威望: 362 点
下载积分: 1883 分
在线时间: 75(小时)
注册时间: 2008-12-29
最后登录: 2017-03-22
查看工业巨子的 主题 / 回贴
19楼  发表于: 2012-04-12 18:23
引用
引用第15楼znz43于2012-04-12 09:21发表的  :
58步程序,还防止先按X0(X1)后,在按X0(X1)未到次数前,误按X1(X0)的意外,增加了两个联锁。

我用PLC试过了,如果同时做2次,X0循环,出现问题。
2004年日本早稻田大学毕业,2010荣获“丰田终身成就奖”,2011年入选“名人堂”(HALL OF FAME)
znz43
工控职业已成回忆 只因爱好常回家园 乐此不疲
级别: 工控侠客

精华主题: 0
发帖数量: 1051 个
工控威望: 4912 点
下载积分: 7564 分
在线时间: 2586(小时)
注册时间: 2010-06-24
最后登录: 2026-05-27
查看znz43的 主题 / 回贴
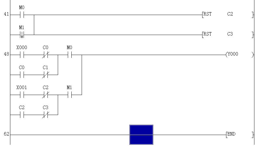
20楼  发表于: 2012-04-12 19:27
图片:
图片:
任意按吧,都没问题了。62步
[ 此帖被znz43在2012-04-13 09:06重新编辑 ]
出门打工难,打工学艺难,学艺拜师难,找到好师傅更难。
赠人玫瑰,手留余香。舍得舍得,有舍才有得。
bocc
级别: 网络英雄
精华主题: 0
发帖数量: 590 个
工控威望: 5239 点
下载积分: 3331 分
在线时间: 986(小时)
注册时间: 2009-09-13
最后登录: 2016-07-01
查看bocc的 主题 / 回贴
21楼  发表于: 2012-04-12 20:20
    
工业巨子
2004年日本早稻田大学毕业,2010荣获“丰田终身成就奖”
级别: 略有小成
精华主题: 0
发帖数量: 157 个
工控威望: 362 点
下载积分: 1883 分
在线时间: 75(小时)
注册时间: 2008-12-29
最后登录: 2017-03-22
查看工业巨子的 主题 / 回贴
22楼  发表于: 2012-04-12 22:37
有没有更简化的?
特别是在选择按钮上?
2004年日本早稻田大学毕业,2010荣获“丰田终身成就奖”,2011年入选“名人堂”(HALL OF FAME)
jingaoshu
级别: 工控侠客
精华主题: 0
发帖数量: 68 个
工控威望: 2587 点
下载积分: 6664 分
在线时间: 86(小时)
注册时间: 2012-03-28
最后登录: 2026-02-08
查看jingaoshu的 主题 / 回贴
23楼  发表于: 2012-04-12 22:49
路过学习学习